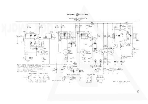
Transistor 8 TP1
General Electric-Kirby Appliances Ltd.; Sydney
- Country
- Australia
- Manufacturer / Brand
- General Electric-Kirby Appliances Ltd.; Sydney
- Year
- 1962/1963
- Category
- Broadcast Receiver - or past WW2 Tuner
- Radiomuseum.org ID
- 282194
Click on the schematic thumbnail to request the schematic as a free document.
- Number of Transistors
- 8
- Main principle
- Superheterodyne (common); ZF/IF 455 kHz
- Wave bands
- Broadcast only (MW).
- Power type and voltage
- Dry Batteries / 9 Volt
- Loudspeaker
- Permanent Magnet Dynamic (PDyn) Loudspeaker (moving coil) - elliptical
- Material
- Leather / canvas / plastic - over other material
- from Radiomuseum.org
- Model: Transistor 8 TP1 - General Electric-Kirby
- Shape
- Portable set > 8 inch (also usable without mains)
- Notes
-
General Electric (Aust.) Model TP1 "8" Transistor Portable
Genuine solid leather case with gold plated fittings. Separate on/off switch and separate two-position tone control. Socket for external car aerial. Speaker 6" x 4" oval. (FROM MINGAY'S PRICE SERVICE)
Battery Eveready Type 276P.
- Price in first year of sale
- 40.95 AUS £
- Mentioned in
- Mingay's Price Service (Feb 1963 & Aug 1963.)
- Literature/Schematics (1)
- -- Original-techn. papers. (General Electric Service Data, Nov. 1962.)
- Literature/Schematics (2)
- J.R. Publications Transistor Radio Service Handbook (Supplement to Vol. 1, 1960, Page G1.)
- Literature/Schematics (3)
- Feb 1963 & Aug 1963.
- Author
- Model page created by Martin Kent. See "Data change" for further contributors.
- Other Models
-
Here you find 144 models, 116 with images and 11 with schematics for wireless sets etc. In French: TSF for Télégraphie sans fil.
All listed radios etc. from General Electric-Kirby Appliances Ltd.; Sydney