OP-AMP-Tester 5099-P023 9204 A
Gossen, P., & Co. KG (PGCD); Erlangen, Nürnberg
- Country
- Germany
- Manufacturer / Brand
- Gossen, P., & Co. KG (PGCD); Erlangen, Nürnberg
- Year
- 1980 ??
- Category
- Service- or Lab Equipment
- Radiomuseum.org ID
- 277950
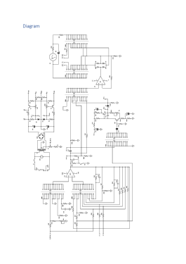
Click on the schematic thumbnail to request the schematic as a free document.
- Number of Transistors
- 4
- Semiconductors
- Wave bands
- - without
- Power type and voltage
- Alternating Current supply (AC) / 220 Volt
- Loudspeaker
- - - No sound reproduction output.
- Material
- Metal case
- from Radiomuseum.org
- Model: OP-AMP-Tester 5099-P023 9204 A - Gossen, P., & Co. KG PGCD;
- Shape
- Tablemodel, with any shape - general.
- Dimensions (WHD)
- 189 x 100 x 145 mm / 7.4 x 3.9 x 5.7 inch
- Notes
-
Gerät zum Testen und Vergleichen von Operationsverstärkern.
- Author
- Model page created by Ingo Brose. See "Data change" for further contributors.
- Other Models
-
Here you find 104 models, 98 with images and 34 with schematics for wireless sets etc. In French: TSF for Télégraphie sans fil.
All listed radios etc. from Gossen, P., & Co. KG (PGCD); Erlangen, Nürnberg
Collections
The model OP-AMP-Tester 5099-P023 is part of the collections of the following members.