- Land
- USA
- Hersteller / Marke
- Granco Products, Inc.; Long Island City (NY)
- Jahr
- 1962 ?
- Kategorie
- Rundfunkempfänger (Radio - oder Tuner nach WW2)
- Radiomuseum.org ID
- 135906
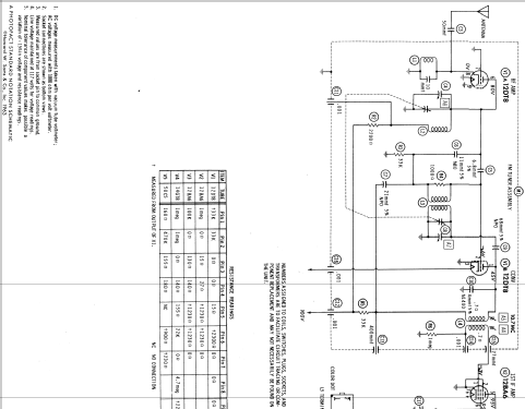
Klicken Sie auf den Schaltplanausschnitt, um diesen kostenlos als Dokument anzufordern.
- Anzahl Röhren
- 5
- Röhren
- Hauptprinzip
- Superhet allgemein
- Wellenbereiche
- UKW-Gerät bzw. FM (keine weiteren Bänder).
- Betriebsart / Volt
- Allstromgerät / 110 - 120 Volt
- Lautsprecher
- Dynamischer LS, keine Erregerspule (permanentdynamisch)
- Material
- Plastikgehäuse (nicht Bakelit), Thermoplast
- von Radiomuseum.org
- Modell: 603 - Granco Products, Inc.; Long
- Form
- Tischgerät ohne Drucktasten, bis 35 cm Breite (Kleingerät, meist dekorativ. Nur für Netzbetrieb, doch Transportgriff möglich).
- Bemerkung
- AC - DC operated FM receiver.
- Literatur/Schema (1)
- Photofact Folder, Howard W. SAMS (Set 631 folder 8 date 4-63 title)
- Autor
- Modellseite von Peter Hoddow angelegt. Siehe bei "Änderungsvorschlag" für weitere Mitarbeit.
- Weitere Modelle
-
Hier finden Sie 40 Modelle, davon 34 mit Bildern und 30 mit Schaltbildern.
Alle gelisteten Radios usw. von Granco Products, Inc.; Long Island City (NY)