CB-Mobilfunkgerät CB/AS 200
Grundig (Radio-Vertrieb, RVF, Radiowerke); Fürth/Bayern
- Hersteller / Marke
- Grundig (Radio-Vertrieb, RVF, Radiowerke); Fürth/Bayern
- Jahr
- 1978
- Kategorie
- CB-Funk-Gerätschaft
- Radiomuseum.org ID
- 71807
-
- anderer Name: Grundig Portugal || Grundig USA / Lextronix
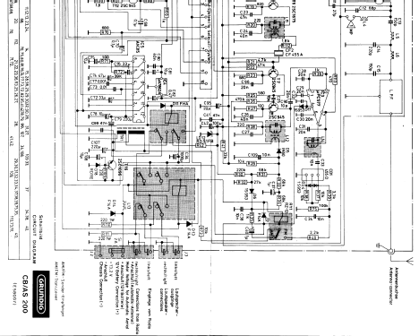
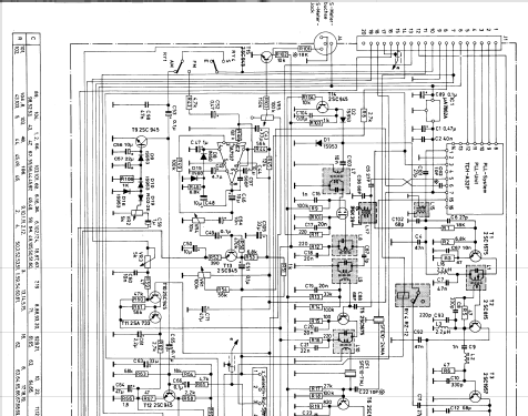
Klicken Sie auf den Schaltplanausschnitt, um diesen kostenlos als Dokument anzufordern.
- Anzahl Transistoren
- Halbleiter vorhanden.
- Halbleiter
- Hauptprinzip
- Superhet allgemein
- Wellenbereiche
- Wellen in den Bemerkungen.
- Betriebsart / Volt
- Akku und/oder Batterie / 12 Volt
- Belastbarkeit / Leistung
- 4.2 W (Qualität unbekannt)
Die GFGF Zeitschrift Funkgeschichte bringt interessante Artikel zu Radios, Funkwesen und Medien. Bei Radiomuseum.org finden Sie die vollständigen Hefte früherer Ausgaben als PDF zum Download.
- von Radiomuseum.org
- Modell: CB-Mobilfunkgerät CB/AS 200 - Grundig Radio-Vertrieb, RVF,
- Abmessungen (BHT)
- 175 x 50 x 155 mm / 6.9 x 2 x 6.1 inch
- Bemerkung
- CB-Funk-Gerät mit 12 Kanälen - 0,5 Watt Sendeleistung. 27,005 bis 27,135 Mhz
- Nettogewicht
- 1.7 kg / 3 lb 11.9 oz (3.744 lb)
- Literaturnachweis
- -- Original-techn. papers.
- Autor
- Modellseite von Hilmer Grunert angelegt. Siehe bei "Änderungsvorschlag" für weitere Mitarbeit.
- Weitere Modelle
-
Hier finden Sie 6251 Modelle, davon 5496 mit Bildern und 4255 mit Schaltbildern.
Alle gelisteten Radios usw. von Grundig (Radio-Vertrieb, RVF, Radiowerke); Fürth/Bayern
Sammlungen
Das Modell CB-Mobilfunkgerät befindet sich in den Sammlungen folgender Mitglieder.