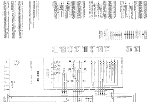
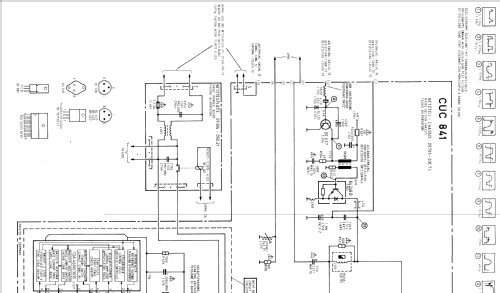
Cinema 9060 Multi System Ch=CUC 841 KT
Grundig (Radio-Vertrieb, RVF, Radiowerke); Fürth/Bayern
- Country
- Germany
- Manufacturer / Brand
- Grundig (Radio-Vertrieb, RVF, Radiowerke); Fürth/Bayern
- Year
- 1982
- Category
- Television Receiver (TV) or Monitor
- Radiomuseum.org ID
- 125188
-
- alternative name: Grundig Portugal || Grundig USA / Lextronix
Click on the schematic thumbnail to request the schematic as a free document.
- Number of Tubes
- 3
- Number of Transistors
- Semiconductors present.
- Semiconductors
- Main principle
- Superheterodyne (common)
- Wave bands
- Wave Bands given in the notes.
- Power type and voltage
- Alternating Current supply (AC) / 220 Volt
- Loudspeaker
- Permanent Magnet Dynamic (PDyn) Loudspeaker (moving coil)
- Power out
- 35 W (unknown quality)
- Material
- Wooden case
- from Radiomuseum.org
- Model: Cinema 9060 Multi System Ch=CUC 841 KT - Grundig Radio-Vertrieb, RVF,
- Shape
- Console with any shape - in general
- Dimensions (WHD)
- 1000 x 1280 x 700 mm / 39.4 x 50.4 x 27.6 inch
- Notes
- 113 cm Rückprojektionsgerät, PAL-SECAM-NTSC, VHF-/UHF Tuner nach CCIR B/G/H/M/L. Telepilot: TP 600 TV. Bild: 91×68 cm.
- Mentioned in
- - - Manufacturers Literature (Grundig Technisches Jahrbuch 1992 S74)
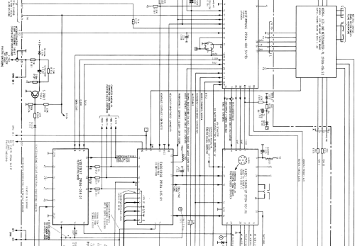
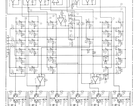
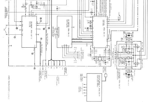
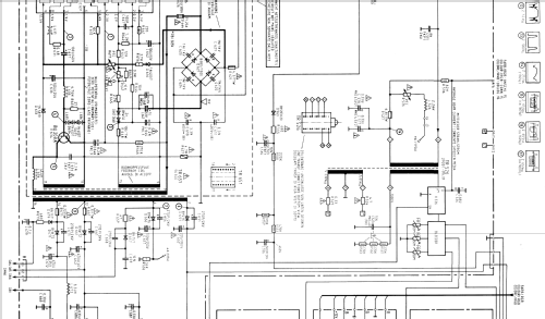
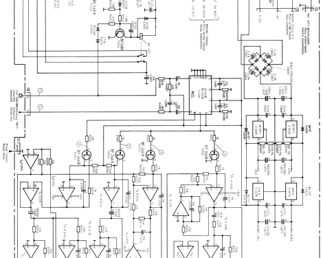
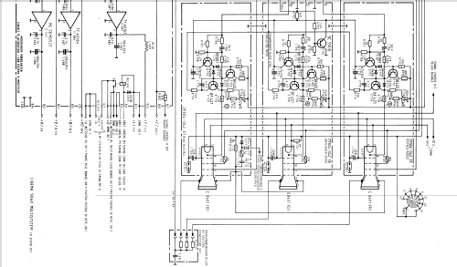
- Literature/Schematics (1)
- -- Original-techn. papers.
- Author
- Model page created by a member from A. See "Data change" for further contributors.
- Other Models
-
Here you find 6250 models, 5496 with images and 4249 with schematics for wireless sets etc. In French: TSF for Télégraphie sans fil.
All listed radios etc. from Grundig (Radio-Vertrieb, RVF, Radiowerke); Fürth/Bayern
Literature
The model Cinema 9060 Multi System is documented in the following literature.