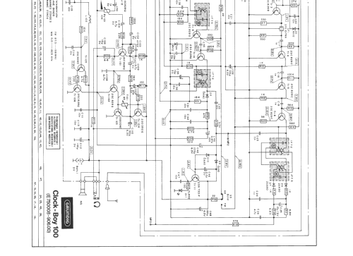
Clock-Boy 100
Grundig (Radio-Vertrieb, RVF, Radiowerke); Fürth/Bayern
- Country
- Germany
- Manufacturer / Brand
- Grundig (Radio-Vertrieb, RVF, Radiowerke); Fürth/Bayern
- Year
- 1980/1981
- Category
- Broadcast Receiver - or past WW2 Tuner
- Radiomuseum.org ID
- 87946
-
- alternative name: Grundig Portugal || Grundig USA / Lextronix
Click on the schematic thumbnail to request the schematic as a free document.
- Number of Transistors
- 19
- Semiconductors
- 2SC1047 2SC1359 2SC829 2SC829 2SC829 2SC829 2SK19 2SC829 2SC829 2SC828 2SC828 2SA733 2SC828 2SC828 2SC828 2SB324 2SD352 2SC828 2SC828 µPD833G
- Main principle
- Superhet with RF-stage; ZF/IF 460/10700 kHz
- Tuned circuits
- 5 AM circuit(s) 8 FM circuit(s)
- Wave bands
- Broadcast (BC) and FM or UHF.
- Power type and voltage
- Dry Batteries / AA: 2 x 1.5 & G13: 1 x 1.5 Volt
- Loudspeaker
- Permanent Magnet Dynamic (PDyn) Loudspeaker (moving coil) / Ø 4 cm = 1.6 inch
- Power out
- 0.1 W (unknown quality)
- Material
- Plastics (no bakelite or catalin)
- from Radiomuseum.org
- Model: Clock-Boy 100 - Grundig Radio-Vertrieb, RVF,
- Shape
- Very small Portable or Pocket-Set (Handheld) < 8 inch.
- Dimensions (WHD)
- 70 x 140 x 20 mm / 2.8 x 5.5 x 0.8 inch
- Notes
-
Grundig Clock Boy 100 ist ein FM-AM Taschenradio mit eingebauter Schaltuhr. LCD-Anzeige der Uhrzeit und Weck/Einschaltzeit. Wecken mit Radio oder Weckton. AM-Vorstufe mit Feldeffekt-Transistor.
Ersatztypen für die Uhr-Batterie (Knopfzelle): D357H, LR44
Made in Japan
- Net weight (2.2 lb = 1 kg)
- 0.2 kg / 0 lb 7 oz (0.441 lb)
- Source of data
- -- Original prospect or advert
- Literature/Schematics (1)
- -- Original-techn. papers.
- Author
- Model page created by Josef Pilz. See "Data change" for further contributors.
- Other Models
-
Here you find 6251 models, 5496 with images and 4255 with schematics for wireless sets etc. In French: TSF for Télégraphie sans fil.
All listed radios etc. from Grundig (Radio-Vertrieb, RVF, Radiowerke); Fürth/Bayern
Collections
The model Clock-Boy is part of the collections of the following members.