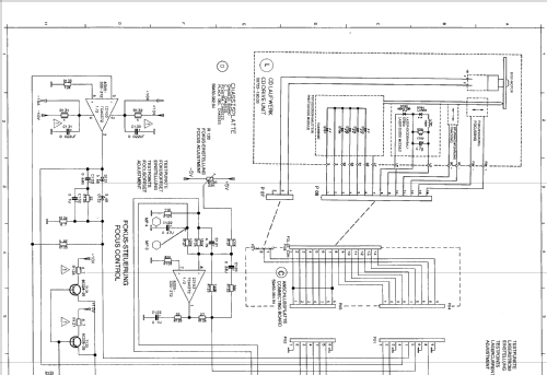
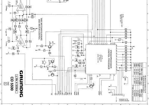
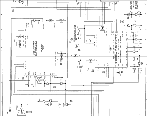
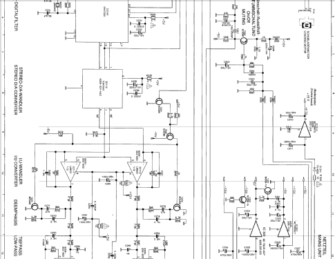
Compact Disc Player CD5500
Grundig (Radio-Vertrieb, RVF, Radiowerke); Fürth/Bayern
- Paese
- Germania
- Produttore / Marca
- Grundig (Radio-Vertrieb, RVF, Radiowerke); Fürth/Bayern
- Anno
- 1998 ?
- Categoria
- Registratore audio/video e/o riproduttore
- Radiomuseum.org ID
- 199513
-
- alternative name: Grundig Portugal || Grundig USA / Lextronix
Clicca sulla miniatura dello schema per richiederlo come documento gratuito.
- Numero di transistor
- 27
- Semiconduttori
- Principio generale
- Amplificatore audio
- Gamme d'onda
- - senza
- Particolarità
- CD-Player, -Writer, MD, MOD (audio)
- Tensioni di funzionamento
- Alimentazione a corrente alternata (CA) / 220 Volt
- Altoparlante
- - Per cuffie o amplificatori esterni
- Materiali
- Mobile di metallo
- Radiomuseum.org
- Modello: Compact Disc Player CD5500 - Grundig Radio-Vertrieb, RVF,
- Forma
- Apparecchio per ripiani a scaffale (come i componibili HiFi).
- Dimensioni (LxAxP)
- 360 x 70 x 290 mm / 14.2 x 2.8 x 11.4 inch
- Fonte dei dati
- -- Original-techn. papers.
- Autore
- Modello inviato da Eduard Abfalterer. Utilizzare "Proponi modifica" per inviare ulteriori dati.
- Altri modelli
-
In questo link sono elencati 6250 modelli, di cui 5496 con immagini e 4252 con schemi.
Elenco delle radio e altri apparecchi della Grundig (Radio-Vertrieb, RVF, Radiowerke); Fürth/Bayern