Concert Boy 230
Grundig (Radio-Vertrieb, RVF, Radiowerke); Fürth/Bayern
- Pays
- Allemagne
- Fabricant / Marque
- Grundig (Radio-Vertrieb, RVF, Radiowerke); Fürth/Bayern
- Année
- 1991–1993
- Catégorie
- Radio - ou tuner d'après la guerre 1939-45
- Radiomuseum.org ID
- 135436
-
- alternative name: Grundig Portugal || Grundig USA / Lextronix
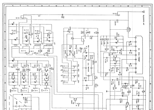
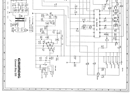
Cliquez sur la vignette du schéma pour le demander en tant que document gratuit.
- No. de transistors
- 4
- Semi-conducteurs
- Principe général
- Super hétérodyne (en général); FI/IF 460/10700 kHz
- Gammes d'ondes
- PO, GO, 2 x OC et FM
- Tension / type courant
- Secteur et Piles (tous types). / 220 / 4 x 1,5 Volt
- Haut-parleur
- HP dynamique à aimant permanent + bobine mobile / Ø 10 cm = 3.9 inch
- Puissance de sortie
- 0.8 W (qualité inconnue)
- Matière
- Plastique moderne (pas de bakélite, ni de catalin)
- De Radiomuseum.org
- Modèle: Concert Boy 230 - Grundig Radio-Vertrieb, RVF,
- Forme
- Portative > 20 cm (sans nécessité secteur)
- Dimensions (LHP)
- 325 x 185 x 75 mm / 12.8 x 7.3 x 3 inch
- Remarques
- Grundig Concert-Boy 230 hat für UKW 4 Festsender-Speicherplätze.
Ein Netzteil ist eingebaut, ein Kopfhörer kann angeschlossen werden.
- Poids net
- 1.410 kg / 3 lb 1.7 oz (3.106 lb)
- Prix de mise sur le marché
- 148.00 DM
- Auteur
- Modèle crée par Klemens Rhode. Voir les propositions de modification pour les contributeurs supplémentaires.
- D'autres Modèles
-
Vous pourrez trouver sous ce lien 6251 modèles d'appareils, 5496 avec des images et 4255 avec des schémas.
Tous les appareils de Grundig (Radio-Vertrieb, RVF, Radiowerke); Fürth/Bayern
Collections
Le modèle Concert Boy fait partie des collections des membres suivants.
Contributions du forum pour ce modèle: Grundig Radio-: Concert Boy 230
Discussions: 1 | Publications: 1
I am interested in the possible manufacturer of this and related Grundig models (for example Music-Boy 170, Concert-Boy 220, Concert Boy 225 ). Grundig had probably ceased local manufacture of radios by the 1990s and moved manufacturing, and possibly also design, offshore to China. There are no indications of the manufacturer inside this radio but my guess is that this very competent analogue radio design was a product of Sangean - Wikipedia. Later Grundig models have also been rebranded from Tecsun.
Julian Hardstone, 01.Jul.14