Fernauge FA 41
Grundig (Radio-Vertrieb, RVF, Radiowerke); Fürth/Bayern
- Hersteller / Marke
- Grundig (Radio-Vertrieb, RVF, Radiowerke); Fürth/Bayern
- Jahr
- 1969 ?
- Kategorie
- Diverses (Sonstiges) - siehe Bemerkungen
- Radiomuseum.org ID
- 243602
-
- anderer Name: Grundig Portugal || Grundig USA / Lextronix
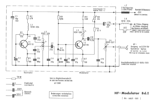
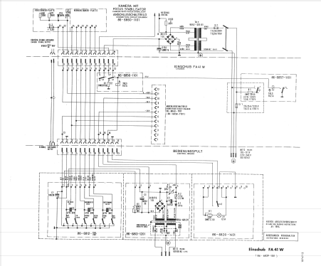
Klicken Sie auf den Schaltplanausschnitt, um diesen kostenlos als Dokument anzufordern.
- Anzahl Röhren
- 1
- Röhren
- Anzahl Transistoren
- Halbleiter vorhanden.
- Halbleiter
- Spezialitäten
- Fernbed/-steuerung (Radio etc.)
- Betriebsart / Volt
- Netz- / Batteriespeisung
- Lautsprecher
- - - Kein Ausgang für Schallwiedergabe.
- Material
- Metallausführung
Die GFGF Zeitschrift Funkgeschichte bringt interessante Artikel zu Radios, Funkwesen und Medien. Bei Radiomuseum.org finden Sie die vollständigen Hefte früherer Ausgaben als PDF zum Download.
- von Radiomuseum.org
- Modell: Fernauge FA 41 - Grundig Radio-Vertrieb, RVF,
- Bemerkung
-
s/w TV Kamera für Resistron- oder Vidicon Bildaufnahmeröhre. Wechelbares Objektiv.
- Literaturnachweis
- -- Original prospect or advert
- Autor
- Modellseite von João-Afonso Santos angelegt. Siehe bei "Änderungsvorschlag" für weitere Mitarbeit.
- Weitere Modelle
-
Hier finden Sie 6250 Modelle, davon 5496 mit Bildern und 4249 mit Schaltbildern.
Alle gelisteten Radios usw. von Grundig (Radio-Vertrieb, RVF, Radiowerke); Fürth/Bayern
Literatur
Das Modell Fernauge ist in der folgenden Literatur dokumentiert.