Fernseh-Boy P 1203
Grundig (Radio-Vertrieb, RVF, Radiowerke); Fürth/Bayern
- País
- Alemania
- Fabricante / Marca
- Grundig (Radio-Vertrieb, RVF, Radiowerke); Fürth/Bayern
- Año
- 1971/1972
- Categoría
- Televisión (TV) o monitor
- Radiomuseum.org ID
- 362979
-
- alternative name: Grundig Portugal || Grundig USA / Lextronix
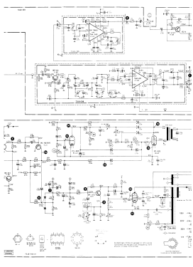
Haga clic en la miniatura esquemática para solicitarlo como documento gratuito.
- Numero de valvulas
- 3
- Numero de transistores
- 14
- Semiconductores
- TAA550 TAA640 TBA400 AF279 AF280 AF106 BF310 BC213 MJE340 BC308 BC308 BF457 BC238 BC213 BC213 BF117 BB105 BA243 OA90 OA91 M40C4 BY147 TV13 SKE1
- Principio principal
- Superheterodino con paso previo de RF; ZF/IF 38900/5500 kHz
- Gama de ondas
- VHF/UHF (see notes for details)
- Tensión de funcionamiento
- Red: Corriente alterna (CA, Inglés = AC) / 220 Volt
- Altavoz
- Altavoz dinámico (de imán permanente)
- Material
- Plástico moderno (Nunca bakelita o catalina)
- de Radiomuseum.org
- Modelo: Fernseh-Boy P 1203 - Grundig Radio-Vertrieb, RVF,
- Forma
- Sobremesa apaisado (tamaño grande).
- Ancho, altura, profundidad
- 380 x 310 x 300 mm / 15 x 12.2 x 11.8 inch
- Anotaciones
-
Grundig Fernseh-Boy P 1203 ist ein 30 cm Schwarzweißfernseher mit VHF und UHF Empfangsbereich. 3 VHF/UHF Programmtasten.
Anschluss für magnetischen Kleinhörer 203L, eingebauter Gerätelautsprecher durch Schaltbuchse abschaltbar.
Gehäuse: Kunststoff; nachtblau, weiss oder rot.
2 Röhren + CRT, 14 Transistoren, 3 ICs, 15 Dioden, 1 Gleichrichterdiode, jeder Typ ist einmal aufgeführt.
Black and white television with VHF and UHF.
Headphone jack that mutes the speaker.2 tubes + CRT, 14 Transistors, 3 ICs, 15 Diodes, 1 Rectifier Diode, listed one of each type.
- Peso neto
- 7.5 kg / 16 lb 8.3 oz (16.52 lb)
- Mencionado en
- -- Original-techn. papers. (Original Grundig Circuit Diagram)
- Documentación / Esquemas (1)
- Handbuch VDRG 1971/1972 (S. B8)
- Autor
- Modelo creado por Pier Antonio Aluffi. Ver en "Modificar Ficha" los participantes posteriores.
- Otros modelos
-
Donde encontrará 6251 modelos, 5496 con imágenes y 4255 con esquemas.
Ir al listado general de Grundig (Radio-Vertrieb, RVF, Radiowerke); Fürth/Bayern