Fernseh Signalgeber 6022
Grundig (Radio-Vertrieb, RVF, Radiowerke); Fürth/Bayern
- País
- Alemania
- Fabricante / Marca
- Grundig (Radio-Vertrieb, RVF, Radiowerke); Fürth/Bayern
- Año
- 1956
- Categoría
- Aparato de medida y servicio (Equipo de laboratorio).
- Radiomuseum.org ID
- 166036
-
- alternative name: Grundig Portugal || Grundig USA / Lextronix
Haga clic en la miniatura esquemática para solicitarlo como documento gratuito.
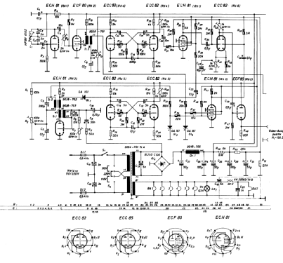
- Numero de valvulas
- 7
- Gama de ondas
- Bandas de recepción puestas en notas.
- Tensión de funcionamiento
- Red: Corriente alterna (CA, Inglés = AC) / 110/220 Volt
- Altavoz
- - - No hay salida de sonido.
- Material
- Metálico
- de Radiomuseum.org
- Modelo: Fernseh Signalgeber 6022 - Grundig Radio-Vertrieb, RVF,
- Forma
- Sobremesa de cualquier forma, detalles no conocidos.
- Ancho, altura, profundidad
- 285 x 200 x 138 mm / 11.2 x 7.9 x 5.4 inch
- Anotaciones
- Fernseh-Signalgeber zur Einstellung der Bildgeometrie mittels feststehendem Gittermuster aus 6 horizontalen und 8 vertikalen Balken. HF-Ausgang an 240 Ohm 2 mV eff. auf den schaltbaren Kanälen 5-11 im Fernsehband III.
- Peso neto
- 6 kg / 13 lb 3.5 oz (13.216 lb)
- Procedencia de los datos
- -- Original-techn. papers.
- Mencionado en
- Grundig Technische Informationen 7/56
- Autor
- Modelo creado por Hilmer Grunert. Ver en "Modificar Ficha" los participantes posteriores.
- Otros modelos
-
Donde encontrará 6251 modelos, 5496 con imágenes y 4255 con esquemas.
Ir al listado general de Grundig (Radio-Vertrieb, RVF, Radiowerke); Fürth/Bayern
Literatura
El modelo Fernseh Signalgeber está documentado en la siguiente literatura.