HiFi-Tuner T4200 MKII (T4200 Mark 2)
Grundig (Radio-Vertrieb, RVF, Radiowerke); Fürth/Bayern
- Country
- Germany
- Manufacturer / Brand
- Grundig (Radio-Vertrieb, RVF, Radiowerke); Fürth/Bayern
- Year
- 1990 ?
- Category
- Broadcast Receiver - or past WW2 Tuner
- Radiomuseum.org ID
- 154570
-
- alternative name: Grundig Portugal || Grundig USA / Lextronix
Click on the schematic thumbnail to request the schematic as a free document.
- Number of Transistors
- Semiconductors present.
- Semiconductors
- Main principle
- Superheterodyne (common)
- Wave bands
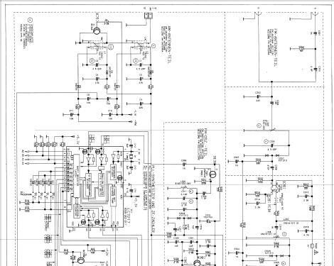
- Broadcast, Long Wave and FM or UHF.
- Power type and voltage
- Powered by external power supply or a main unit. / 16 DC Volt
- Loudspeaker
- - For headphones or amp.
- Material
- Metal case
- from Radiomuseum.org
- Model: HiFi-Tuner T4200 MKII - Grundig Radio-Vertrieb, RVF,
- Shape
- Book-shelf unit.
- Notes
- Grundig T 4200 MKII HiFi-Tuner;
Digitale Frequenzanzeige, Festsenderspeicher, schwarz.
- Source of data
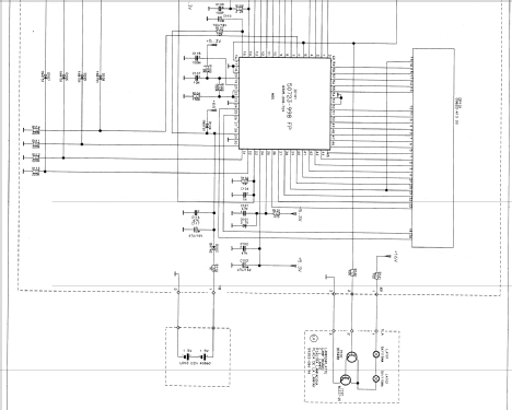
- -- Schematic
- Author
- Model page created by a member from A. See "Data change" for further contributors.
- Other Models
-
Here you find 6251 models, 5496 with images and 4255 with schematics for wireless sets etc. In French: TSF for Télégraphie sans fil.
All listed radios etc. from Grundig (Radio-Vertrieb, RVF, Radiowerke); Fürth/Bayern