Party-Boy Universal 208
Grundig (Radio-Vertrieb, RVF, Radiowerke); Fürth/Bayern
- Pays
- Allemagne
- Fabricant / Marque
- Grundig (Radio-Vertrieb, RVF, Radiowerke); Fürth/Bayern
- Année
- 1968 ?
- Catégorie
- Radio - ou tuner d'après la guerre 1939-45
- Radiomuseum.org ID
- 83552
-
- alternative name: Grundig Portugal || Grundig USA / Lextronix
Cliquez sur la vignette du schéma pour le demander en tant que document gratuit.
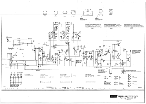
- No. de transistors
- 7
- Principe général
- Super hétérodyne (en général); FI/IF 460 kHz
- Circuits accordés
- 7 Circuits MA (AM)
- Gammes d'ondes
- PO et GO
- Tension / type courant
- Piles sèches / 2 × 4,5 Volt
- Haut-parleur
- HP dynamique oval à aimant permanent / Ø 12 cm = 4.7 inch
- Puissance de sortie
- 2 W (qualité inconnue)
- Matière
- Plastique moderne (pas de bakélite, ni de catalin)
- De Radiomuseum.org
- Modèle: Party-Boy Universal 208 - Grundig Radio-Vertrieb, RVF,
- Forme
- Portative > 20 cm (sans nécessité secteur)
- Dimensions (LHP)
- 270 x 165 x 70 mm / 10.6 x 6.5 x 2.8 inch
- Remarques
- Anschluß und Umschalter für externe Auto-Antenne mit separaten Variometer-Vorkreisen vorhanden. Anschlüsse für Kopfhörer und Netzteil.
Prises antenne - écouteur - alimentation extérieur.
- Poids net
- 1.7 kg / 3 lb 11.9 oz (3.744 lb)
- Source
- -- Collector info (Sammler)
- Auteur
- Modèle crée par Ervé Leclercq. Voir les propositions de modification pour les contributeurs supplémentaires.
- D'autres Modèles
-
Vous pourrez trouver sous ce lien 6250 modèles d'appareils, 5496 avec des images et 4249 avec des schémas.
Tous les appareils de Grundig (Radio-Vertrieb, RVF, Radiowerke); Fürth/Bayern