- Paese
- Germania
- Produttore / Marca
- Grundig (Radio-Vertrieb, RVF, Radiowerke); Fürth/Bayern
- Anno
- 1982 ?
- Categoria
- Radio (o sintonizzatore del dopoguerra WW2)
- Radiomuseum.org ID
- 162687
-
- alternative name: Grundig Portugal || Grundig USA / Lextronix
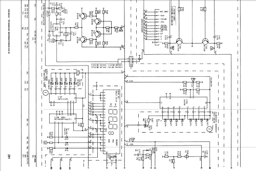
Clicca sulla miniatura dello schema per richiederlo come documento gratuito.
- Numero di transistor
- A semiconduttori.
- Semiconduttori
- Principio generale
- Supereterodina (in generale)
- Gamme d'onda
- Onde medie (OM) e MF (FM).
- Tensioni di funzionamento
- Alimentazione a corrente alternata (CA) / 220 Volt
- Altoparlante
- - Questo apparecchio richiede altoparlante/i esterno/i.
- Materiali
- Mobile di metallo
- Radiomuseum.org
- Modello: R 3000-3 - Grundig Radio-Vertrieb, RVF,
- Forma
- Apparecchio per ripiani a scaffale (come i componibili HiFi).
- Dimensioni (LxAxP)
- 450 x 110 x 380 mm / 17.7 x 4.3 x 15 inch
- Annotazioni
- Variante des R 3000 mit DIN und Cinch-Anschlüssen, Digitalanzeige, Sendersuchlauf und 6 Stationstasten.
- Peso netto
- 11.1 kg / 24 lb 7.2 oz (24.449 lb)
- Autore
- Modello inviato da Stefan Klumpp. Utilizzare "Proponi modifica" per inviare ulteriori dati.
- Altri modelli
-
In questo link sono elencati 6251 modelli, di cui 5496 con immagini e 4255 con schemi.
Elenco delle radio e altri apparecchi della Grundig (Radio-Vertrieb, RVF, Radiowerke); Fürth/Bayern