Record-Boy 209
Grundig (Radio-Vertrieb, RVF, Radiowerke); Fürth/Bayern
- Country
- Germany
- Manufacturer / Brand
- Grundig (Radio-Vertrieb, RVF, Radiowerke); Fürth/Bayern
- Year
- 1969
- Category
- Broadcast Receiver - or past WW2 Tuner
- Radiomuseum.org ID
- 87504
-
- alternative name: Grundig Portugal || Grundig USA / Lextronix
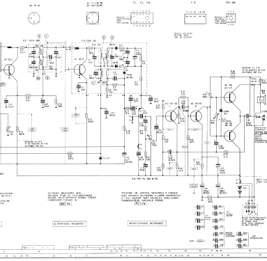
Click on the schematic thumbnail to request the schematic as a free document.
- Number of Transistors
- 9
- Main principle
- Superheterodyne (common); ZF/IF 460/10700 kHz
- Wave bands
- Broadcast (BC) and FM or UHF.
- Power type and voltage
- Dry Batteries / 9 Volt
- Loudspeaker
- Permanent Magnet Dynamic (PDyn) Loudspeaker (moving coil) / Ø 12 cm = 4.7 inch
- Power out
- 1.5 W (unknown quality)
- Material
- Plastics (no bakelite or catalin)
- from Radiomuseum.org
- Model: Record-Boy 209 - Grundig Radio-Vertrieb, RVF,
- Shape
- Portable set > 8 inch (also usable without mains)
- Dimensions (WHD)
- 273 x 170 x 73 mm / 10.7 x 6.7 x 2.9 inch
- Notes
- Externe Stromversorgung über 9-V-DC-Netzteil möglich.
- Net weight (2.2 lb = 1 kg)
- 1.8 kg / 3 lb 15.4 oz (3.965 lb)
- Mentioned in
- -- Original-techn. papers.
- Author
- Model page created by Daniel Doll. See "Data change" for further contributors.
- Other Models
-
Here you find 6251 models, 5496 with images and 4255 with schematics for wireless sets etc. In French: TSF for Télégraphie sans fil.
All listed radios etc. from Grundig (Radio-Vertrieb, RVF, Radiowerke); Fürth/Bayern
Collections
The model Record-Boy is part of the collections of the following members.