Tonbandgerät Einbauchassis STD bis Nr. 3500
Grundig (Radio-Vertrieb, RVF, Radiowerke); Fürth/Bayern
- País
- Alemania
- Fabricante / Marca
- Grundig (Radio-Vertrieb, RVF, Radiowerke); Fürth/Bayern
- Año
- 1951/1952 ?
- Categoría
- Registrador o reproductor de sonido o visual
- Radiomuseum.org ID
- 70884
-
- alternative name: Grundig Portugal || Grundig USA / Lextronix
Haga clic en la miniatura esquemática para solicitarlo como documento gratuito.
- Numero de valvulas
- 4
- Numero de transistores
- Semiconductores
- 250B60
- Principio principal
- Amplificador de Audio
- Gama de ondas
- - no hay
- Especialidades
- Grabadora de cinta
- Tensión de funcionamiento
- Red: Corriente alterna (CA, Inglés = AC) / 110; 125; 220; 240 Volt
- Altavoz
- - Este modelo usa amplificador externo de B.F.
- de Radiomuseum.org
- Modelo: Tonbandgerät Einbauchassis STD [bis Nr. 3500] - Grundig Radio-Vertrieb, RVF,
- Forma
- Chasis (tambien de autoradio)
- Ancho, altura, profundidad
- 380 x 180 x 280 mm / 15 x 7.1 x 11 inch
- Anotaciones
-
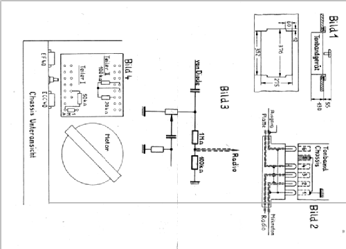
Das Gerät wird in den technischen Unterlagen sowohl als "Tonbandgerät bis Nr. 3500" wie auch "Einbauchassis STD bis Nr. 3500" bezeichnet.
Technische Ausstattung wie Grundig Tonbandkoffer Reporter 300
- Peso neto
- 11 kg / 24 lb 3.7 oz (24.229 lb)
- Mencionado en
- -- Original prospect or advert
- Documentación / Esquemas (1)
- -- Original-techn. papers.
- Autor
- Modelo creado por Arpad Roth † 27.3.17. Ver en "Modificar Ficha" los participantes posteriores.
- Otros modelos
-
Donde encontrará 6250 modelos, 5496 con imágenes y 4252 con esquemas.
Ir al listado general de Grundig (Radio-Vertrieb, RVF, Radiowerke); Fürth/Bayern
Colecciones
El modelo Tonbandgerät es parte de las colecciones de los siguientes miembros.