- Country
- Germany
- Manufacturer / Brand
- Grundig (Radio-Vertrieb, RVF, Radiowerke); Fürth/Bayern
- Year
- 1990 ?
- Category
- Broadcast Receiver - or past WW2 Tuner
- Radiomuseum.org ID
- 128614
-
- alternative name: Grundig Portugal || Grundig USA / Lextronix
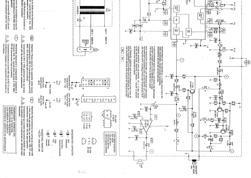
Click on the schematic thumbnail to request the schematic as a free document.
- Number of Transistors
- 4
- Main principle
- Superheterodyne (common); ZF/IF 460/10700 kHz
- Wave bands
- Broadcast (BC) and FM or UHF.
- Details
- Cassette-Recorder or -Player
- Power type and voltage
- Line / Batteries (any type) / 220 / 4 x 1,5 Volt
- Loudspeaker
- Permanent Magnet Dynamic (PDyn) Loudspeaker (moving coil) / Ø 9 cm = 3.5 inch
- Power out
- 0.7 W (unknown quality)
- Material
- Plastics (no bakelite or catalin)
- from Radiomuseum.org
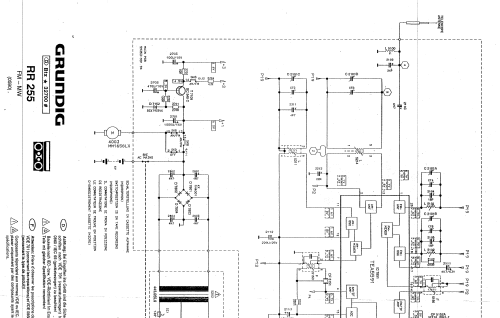
- Model: RR255 - Grundig Radio-Vertrieb, RVF,
- Shape
- Portable set > 8 inch (also usable without mains)
- Dimensions (WHD)
- 285 x 170 x 80 mm / 11.2 x 6.7 x 3.1 inch
- Notes
-
Der Mono- Radiorecorder RR255 hat ein eingebautes Mikrofon und ist mit 2 ICs aufgebaut.
" One Touch Recording " ( s. Kassettenklappe) bedeutet: Zum Aufnehmen braucht man nur eine Taste zu drücken, nämlich die mit der Bezeichnung " OTR ". Die Taste " Play " geht dann gleichzeitig mit.
- Net weight (2.2 lb = 1 kg)
- 1 kg / 2 lb 3.2 oz (2.203 lb)
- Source of data
- - - Data from my own collection
- Author
- Model page created by Klemens Rhode. See "Data change" for further contributors.
- Other Models
-
Here you find 6251 models, 5496 with images and 4255 with schematics for wireless sets etc. In French: TSF for Télégraphie sans fil.
All listed radios etc. from Grundig (Radio-Vertrieb, RVF, Radiowerke); Fürth/Bayern
Collections
The model is part of the collections of the following members.
Forum contributions about this model: Grundig Radio-: RR255
Threads: 1 | Posts: 1
Die Kassettenlaufwerke der Grundig - Radiorecorder RR 255 und RR 365 sind weitgehend identisch, zumindest was die Mechanik und die Maße angeht.Sie stammen übrigens beide von Philips.
Unterschiedlich sind nur der Tonkopf, der Motor und die Tasten. Diese Teile können jedoch ziemlich leicht ausgewechselt werden. Bei den Motoren muß man jedoch beachten, daß der Motor des RR 255 mit 6 V betrieben wird, der vom RR 365 jeoch mit 9 V. Die Montage ist jedoch gleich.
Ottmar Lauth, 19.Jan.17