- País
- Alemania
- Fabricante / Marca
- Grundig (Radio-Vertrieb, RVF, Radiowerke); Fürth/Bayern
- Año
- 1987
- Categoría
- Radio - o Sintonizador pasado WW2
- Radiomuseum.org ID
- 138322
-
- alternative name: Grundig Portugal || Grundig USA / Lextronix
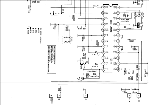
Haga clic en la miniatura esquemática para solicitarlo como documento gratuito.
- Numero de transistores
- 17
- Semiconductores
- Principio principal
- Superheterodino en general; ZF/IF 460/10700 kHz
- Gama de ondas
- OM, OL, OC y FM
- Especialidades
- Grabador y/o Reprod de cassetes
- Tensión de funcionamiento
- Red / Baterías o pilas / 220/6x1,5 Volt
- Altavoz
- 2 Altavoces
- Potencia de salida
- 14 W (unknown quality)
- Material
- Plástico moderno (Nunca bakelita o catalina)
- de Radiomuseum.org
- Modelo: RR 1650 - Grundig Radio-Vertrieb, RVF,
- Forma
- Portátil > 20 cm (sin la necesidad de una red)
- Anotaciones
- IC`s 4; Doppelcasettendeck Musikleistung 2x7 Watt
- Mencionado en
- Original Grundig Service Unterlagen
- Autor
- Modelo creado por Josef Pilz. Ver en "Modificar Ficha" los participantes posteriores.
- Otros modelos
-
Donde encontrará 6251 modelos, 5496 con imágenes y 4255 con esquemas.
Ir al listado general de Grundig (Radio-Vertrieb, RVF, Radiowerke); Fürth/Bayern