- Paese
- Germania
- Produttore / Marca
- Grundig (Radio-Vertrieb, RVF, Radiowerke); Fürth/Bayern
- Anno
- 1992 ?
- Categoria
- Radio (o sintonizzatore del dopoguerra WW2)
- Radiomuseum.org ID
- 230173
-
- alternative name: Grundig Portugal || Grundig USA / Lextronix
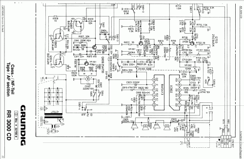
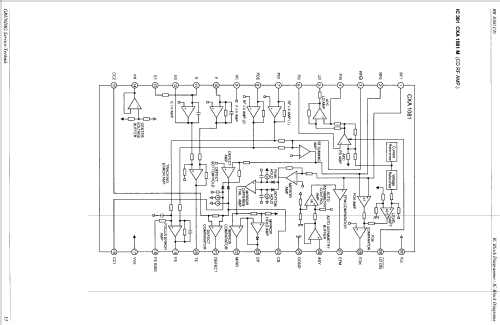
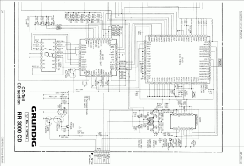
Clicca sulla miniatura dello schema per richiederlo come documento gratuito.
- Numero di transistor
- A semiconduttori.
- Semiconduttori
- Principio generale
- Supereterodina (in generale); ZF/IF 460/10700 kHz
- Gamme d'onda
- Onde medie (OM), lunghe (OL), corte (OC) e MF (FM).
- Particolarità
- Altre combinaz. - vedere le nota
- Tensioni di funzionamento
- Rete / Batterie (ogni tipo) / 220-230 / 8 x 1,5 Mono Volt
- Altoparlante
- 4 altoparlanti
- Potenza d'uscita
- 16 W (max.)
- Materiali
- Plastica (non bachelite o catalina)
- Radiomuseum.org
- Modello: RR 3000 CD - Grundig Radio-Vertrieb, RVF,
- Forma
- Apparecchio portatile > 20 cm (senza la necessità di una rete)
- Annotazioni
-
Stereo Reisegerät mit Cassetten Doppeldeck und CD-Spieler, 2-Wege Lautsprecher.
- Fonte dei dati
- -- Original-techn. papers.
- Autore
- Modello inviato da un iscritto da D. Utilizzare "Proponi modifica" per inviare ulteriori dati.
- Altri modelli
-
In questo link sono elencati 6250 modelli, di cui 5496 con immagini e 4251 con schemi.
Elenco delle radio e altri apparecchi della Grundig (Radio-Vertrieb, RVF, Radiowerke); Fürth/Bayern