- Country
- Germany
- Manufacturer / Brand
- Grundig (Radio-Vertrieb, RVF, Radiowerke); Fürth/Bayern
- Year
- 1994 ?
- Category
- Broadcast Receiver - or past WW2 Tuner
- Radiomuseum.org ID
- 230270
-
- alternative name: Grundig Portugal || Grundig USA / Lextronix
Click on the schematic thumbnail to request the schematic as a free document.
- Number of Transistors
- Semiconductors present.
- Semiconductors
- Main principle
- Superheterodyne (common); ZF/IF 455/10700 kHz
- Wave bands
- Broadcast, Long Wave and FM or UHF.
- Details
- Other Combination - see Notes
- Power type and voltage
- Line / Batteries (any type) / 230/8xMono 1,5 Volt
- Loudspeaker
- 4 Loudspeakers
- Power out
- 7 W (12 W max.)
- Material
- Plastics (no bakelite or catalin)
- from Radiomuseum.org
- Model: RR 3100 CD - Grundig Radio-Vertrieb, RVF,
- Shape
- Portable set > 8 inch (also usable without mains)
- Notes
-
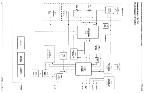
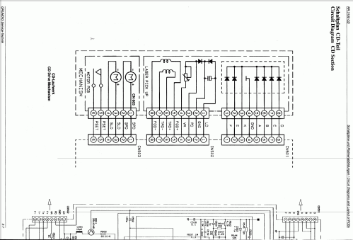
Stereo-Radiorecorder mit CD-Spieler und Doppel-Cassettenlaufwerk. 2-Wege Lautsprecher.
- Source of data
- -- Original-techn. papers.
- Author
- Model page created by a member from D. See "Data change" for further contributors.
- Other Models
-
Here you find 6251 models, 5496 with images and 4255 with schematics for wireless sets etc. In French: TSF for Télégraphie sans fil.
All listed radios etc. from Grundig (Radio-Vertrieb, RVF, Radiowerke); Fürth/Bayern