- Pays
- Allemagne
- Fabricant / Marque
- Grundig (Radio-Vertrieb, RVF, Radiowerke); Fürth/Bayern
- Année
- 1994 ?
- Catégorie
- Radio - ou tuner d'après la guerre 1939-45
- Radiomuseum.org ID
- 230148
-
- alternative name: Grundig Portugal || Grundig USA / Lextronix
Cliquez sur la vignette du schéma pour le demander en tant que document gratuit.
- No. de transistors
- Semi-conducteurs présents
- Semi-conducteurs
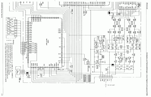
- Principe général
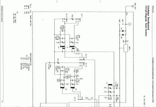
- Super hétérodyne (en général); FI/IF 455/10700 kHz
- Gammes d'ondes
- PO, GO et FM
- Particularités
- Autre combinaison, voir note
- Tension / type courant
- Secteur et Piles (tous types). / 230 / 8 x 1,5 LR 20 IEC Volt
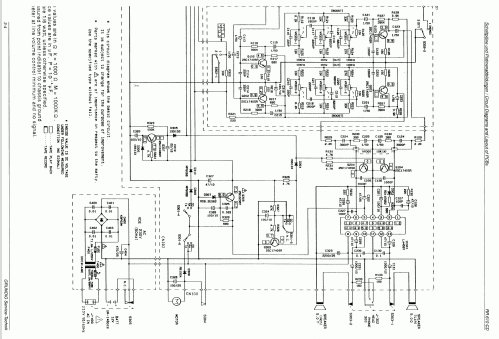
- Haut-parleur
- 2 HP
- Puissance de sortie
- 5.2 W (8 W max.)
- Matière
- Plastique moderne (pas de bakélite, ni de catalin)
- De Radiomuseum.org
- Modèle: RR 610 CD - Grundig Radio-Vertrieb, RVF,
- Forme
- Portative > 20 cm (sans nécessité secteur)
- Remarques
-
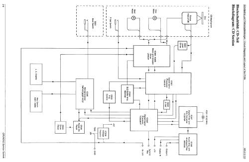
Stereo Radiorecorder mit Cassette und CD-Laufwerk.
- Source
- -- Original-techn. papers.
- Auteur
- Modèle crée par d'un membre de D. Voir les propositions de modification pour les contributeurs supplémentaires.
- D'autres Modèles
-
Vous pourrez trouver sous ce lien 6251 modèles d'appareils, 5496 avec des images et 4255 avec des schémas.
Tous les appareils de Grundig (Radio-Vertrieb, RVF, Radiowerke); Fürth/Bayern