Satellit Recorder 4000
Grundig (Radio-Vertrieb, RVF, Radiowerke); Fürth/Bayern
- Paese
- Germania
- Produttore / Marca
- Grundig (Radio-Vertrieb, RVF, Radiowerke); Fürth/Bayern
- Anno
- 1983–1985
- Categoria
- Radio (o sintonizzatore del dopoguerra WW2)
- Radiomuseum.org ID
- 73873
-
- alternative name: Grundig Portugal || Grundig USA / Lextronix
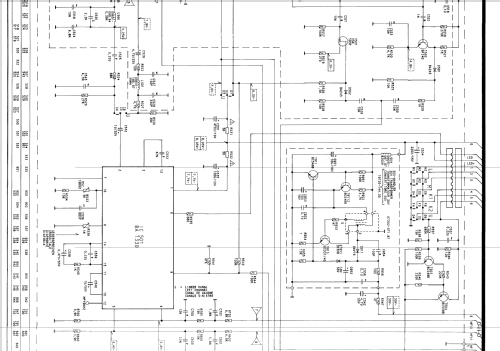
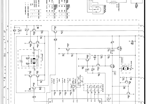
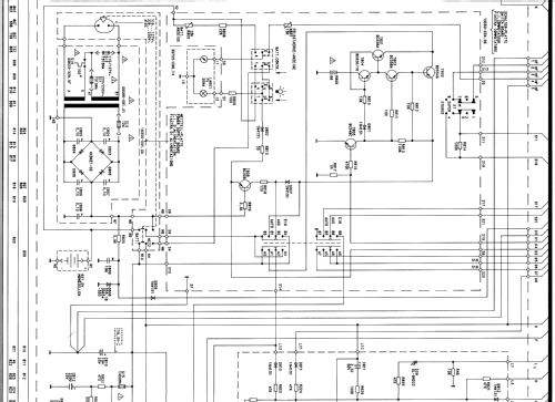
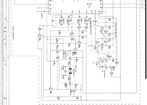
Clicca sulla miniatura dello schema per richiederlo come documento gratuito.
- Numero di transistor
- 58
- Semiconduttori
- Principio generale
- Supereterodina (in generale); ZF/IF 2000 kHz
- Gamme d'onda
- Onde medie (OM), lunghe (OL), piú di 2 gamme di onde corte (> 2 x OC) e MF (FM).
- Particolarità
- Registratore o riprod a cassett
- Tensioni di funzionamento
- Rete / Batterie (ogni tipo) / 110-230 Volt
- Altoparlante
- 2 altoparlanti
- Potenza d'uscita
- 7 W (qualità ignota)
- Materiali
- Plastica (non bachelite o catalina)
- Radiomuseum.org
- Modello: Satellit Recorder 4000 - Grundig Radio-Vertrieb, RVF,
- Forma
- Apparecchio portatile > 20 cm (senza la necessità di una rete)
- Dimensioni (LxAxP)
- 568 x 268 x 120 mm / 22.4 x 10.6 x 4.7 inch
- Annotazioni
- coverage on SW 3900-10499 kHz, 10500-22000 kHz.
- Peso netto
- 7 kg / 15 lb 6.7 oz (15.419 lb)
- Fonte esterna dei dati
- Roeder,H.-E.
- Autore
- Modello inviato da Martin Bösch. Utilizzare "Proponi modifica" per inviare ulteriori dati.
- Altri modelli
-
In questo link sono elencati 6250 modelli, di cui 5496 con immagini e 4251 con schemi.
Elenco delle radio e altri apparecchi della Grundig (Radio-Vertrieb, RVF, Radiowerke); Fürth/Bayern
Collezioni
Il modello Satellit Recorder fa parte delle collezioni dei seguenti membri.
Discussioni nel forum su questo modello: Grundig Radio-: Satellit Recorder 4000
Argomenti: 1 | Articoli: 3
Im Schema habe ich gesehen, dass es zwei Lämpchen LA 901 und LA 902 für die Beleuchtung gibt, jedoch ohne anderweitge Angaben. Bei meinem Apparat gibt es beim VU-Meter sowie beim Display keine Beleuchtung. Vermutlich sind die beiden Lämpchen defekt. Kann mir jemand die technischen Spezifikationen dieser Lämpchen angeben? Weiss jemand, ob diese Lämpchen kaputt gehen? Ich bin Laie. Vielen Dank. Schöne Grüsse. Jörg, CH-Zug
Jörg Gansner, 08.Mar.16