Stereoverstärker V-1700
Grundig (Radio-Vertrieb, RVF, Radiowerke); Fürth/Bayern
- País
- Alemania
- Fabricante / Marca
- Grundig (Radio-Vertrieb, RVF, Radiowerke); Fürth/Bayern
- Año
- 1985
- Categoría
- Amplificador de audio o mezclador
- Radiomuseum.org ID
- 132778
-
- alternative name: Grundig Portugal || Grundig USA / Lextronix
Haga clic en la miniatura esquemática para solicitarlo como documento gratuito.
- Numero de transistores
- 18
- Principio principal
- Amplificador de Audio
- Gama de ondas
- - no hay
- Tensión de funcionamiento
- Red: Corriente alterna (CA, Inglés = AC) / 220 Volt
- Altavoz
- - Este modelo usa altavoz exterior (1 o más).
- Potencia de salida
- 50 W (unknown quality)
- Material
- Metálico
- de Radiomuseum.org
- Modelo: Stereoverstärker V-1700 - Grundig Radio-Vertrieb, RVF,
- Forma
- Unidad para estanteria.
- Ancho, altura, profundidad
- 415 x 90 x 195 mm / 16.3 x 3.5 x 7.7 inch
- Anotaciones
-
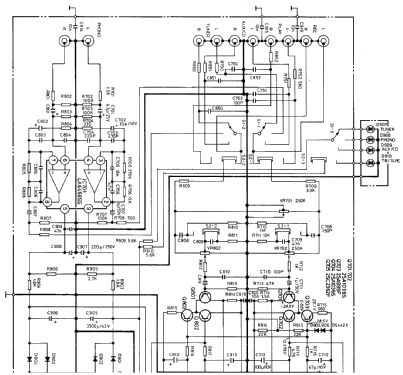
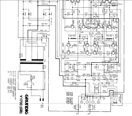
1 IC; Stereoverstärker mit einer Nennleistung 2x25 Watt an 8 Ohm
Frequency response: 20 Hz - 20 Khz - tone control range: bass +/- 8 db at 100 Hz - treble +/- 8 db at 10 Khz - input sensivity: phono 2,5 mV/47 Kohm - tuner - aux/cd - Tb/tape 150 mV/47 Kohm - consumo 140 W
- Peso neto
- 3.2 kg / 7 lb 0.8 oz (7.048 lb)
- Mencionado en
- -- Original-techn. papers.
- Documentación / Esquemas (1)
- -- Original-techn. papers.
- Autor
- Modelo creado por Josef Pilz. Ver en "Modificar Ficha" los participantes posteriores.
- Otros modelos
-
Donde encontrará 6250 modelos, 5496 con imágenes y 4249 con esquemas.
Ir al listado general de Grundig (Radio-Vertrieb, RVF, Radiowerke); Fürth/Bayern
Colecciones
El modelo Stereoverstärker es parte de las colecciones de los siguientes miembros.