Super Color 4230
Grundig (Radio-Vertrieb, RVF, Radiowerke); Fürth/Bayern
- Pays
- Allemagne
- Fabricant / Marque
- Grundig (Radio-Vertrieb, RVF, Radiowerke); Fürth/Bayern
- Année
- 1977 ?
- Catégorie
- Récepteur de télévision ou moniteur
- Radiomuseum.org ID
- 245766
-
- alternative name: Grundig Portugal || Grundig USA / Lextronix
Cliquez sur la vignette du schéma pour le demander en tant que document gratuit.
- No. de tubes
- 1
- Lampes / Tubes
- 510JEB22
- No. de transistors
- Semi-conducteurs présents
- Semi-conducteurs
- Principe général
- Super hétérodyne (en général)
- Gammes d'ondes
- VHF/UHF (voir details en note)
- Particularités
- Télécommande par HF ou fil
- Tension / type courant
- Alimentation Courant Alternatif (CA) / 220 Volt
- Haut-parleur
- HP dynamique oval à aimant permanent
- Matière
- Plastique moderne (pas de bakélite, ni de catalin)
- De Radiomuseum.org
- Modèle: Super Color 4230 - Grundig Radio-Vertrieb, RVF,
- Forme
- Modèle de table avec boutons poussoirs.
- Remarques
-
Grundig Super Color 4230 mit VHF/UHF Kabeltuner.
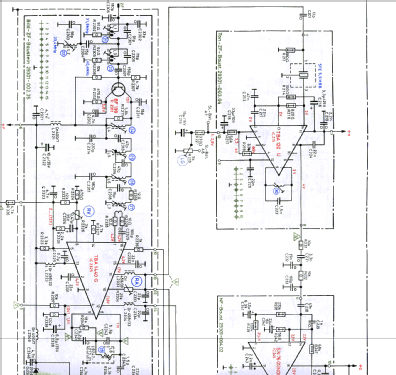
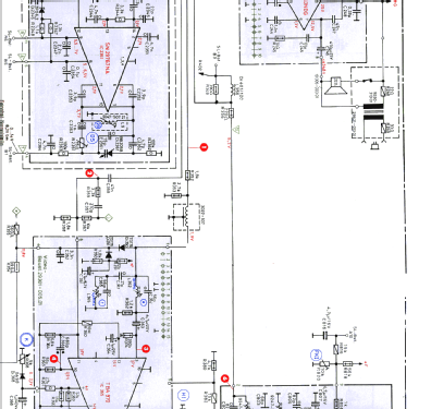
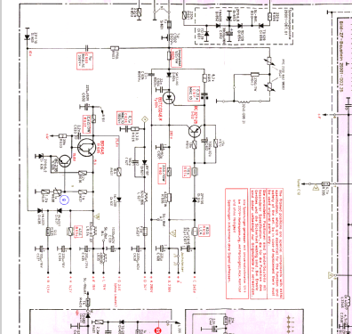
- Schémathèque (1)
- Grundig Service Unterlagen
- Auteur
- Modèle crée par Josef Pilz. Voir les propositions de modification pour les contributeurs supplémentaires.
- D'autres Modèles
-
Vous pourrez trouver sous ce lien 6250 modèles d'appareils, 5496 avec des images et 4249 avec des schémas.
Tous les appareils de Grundig (Radio-Vertrieb, RVF, Radiowerke); Fürth/Bayern