Super Color 8635
Grundig (Radio-Vertrieb, RVF, Radiowerke); Fürth/Bayern
- Country
- Germany
- Manufacturer / Brand
- Grundig (Radio-Vertrieb, RVF, Radiowerke); Fürth/Bayern
- Year
- 1980 ?
- Category
- Television Receiver (TV) or Monitor
- Radiomuseum.org ID
- 287280
-
- alternative name: Grundig Portugal || Grundig USA / Lextronix
Click on the schematic thumbnail to request the schematic as a free document.
- Number of Tubes
- 1
- Number of Transistors
- Semiconductors present.
- Semiconductors
- Main principle
- PLL, Phase-locked loop
- Wave bands
- VHF incl. FM and/or UHF (see notes for details)
- Details
- Remote Control (with wire or wireless)
- Power type and voltage
- Alternating Current supply (AC) / 220 Volt
- Loudspeaker
- Permanent Magnet Dynamic (PDyn) Loudspeaker (moving coil)
- Material
- Wooden case
- from Radiomuseum.org
- Model: Super Color 8635 - Grundig Radio-Vertrieb, RVF,
- Shape
- Tablemodel, low profile (big size).
- Notes
-
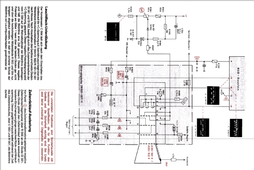
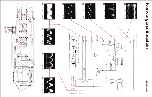
Grundig Super Color 8635 mit VHF/UHF Kabeltuner nach CCIR, und Fernbedienung
- Literature/Schematics (2)
- -- Original-techn. papers.
- Author
- Model page created by Josef Pilz. See "Data change" for further contributors.
- Other Models
-
Here you find 6251 models, 5496 with images and 4255 with schematics for wireless sets etc. In French: TSF for Télégraphie sans fil.
All listed radios etc. from Grundig (Radio-Vertrieb, RVF, Radiowerke); Fürth/Bayern