- Paese
- Germania
- Produttore / Marca
- Grundig (Radio-Vertrieb, RVF, Radiowerke); Fürth/Bayern
- Anno
- 1966
- Categoria
- Registratore audio/video e/o riproduttore
- Radiomuseum.org ID
- 85134
-
- alternative name: Grundig Portugal || Grundig USA / Lextronix
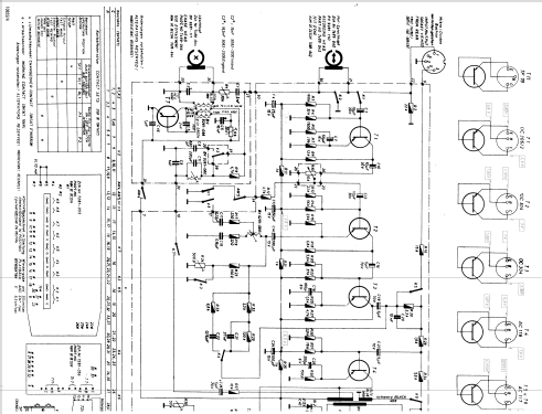
Clicca sulla miniatura dello schema per richiederlo come documento gratuito.
- Numero di transistor
- 15
- Semiconduttori
- Particolarità
- Registratore a nastro
- Tensioni di funzionamento
- Rete / Batterie (ogni tipo) / 110/220; (6 × 1,5) Volt
- Altoparlante
- AP magnetodinamico ellittico (magnete permanente e bobina mobile).
- Potenza d'uscita
- 1 W (qualità ignota)
- Materiali
- Plastica (non bachelite o catalina)
- Radiomuseum.org
- Modello: TK6EL - Grundig Radio-Vertrieb, RVF,
- Letteratura / Schemi (1)
- -- Original-techn. papers.
- Autore
- Modello inviato da Arpad Roth † 27.3.17. Utilizzare "Proponi modifica" per inviare ulteriori dati.
- Altri modelli
-
In questo link sono elencati 6251 modelli, di cui 5496 con immagini e 4255 con schemi.
Elenco delle radio e altri apparecchi della Grundig (Radio-Vertrieb, RVF, Radiowerke); Fürth/Bayern