Transistor-Boy T
Grundig (Radio-Vertrieb, RVF, Radiowerke); Fürth/Bayern
- Hersteller / Marke
- Grundig (Radio-Vertrieb, RVF, Radiowerke); Fürth/Bayern
- Jahr
- 1956/1957
- Kategorie
- Rundfunkempfänger (Radio - oder Tuner nach WW2)
- Radiomuseum.org ID
- 2095
-
- anderer Name: Grundig Portugal || Grundig USA / Lextronix
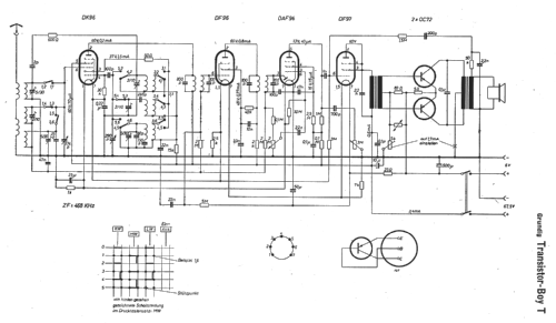
Klicken Sie auf den Schaltplanausschnitt, um diesen kostenlos als Dokument anzufordern.
- Anzahl Röhren
- 4
- Anzahl Transistoren
- 2
- Hauptprinzip
- Superhet allgemein; ZF/IF 468 kHz
- Anzahl Kreise
- 6 Kreis(e) AM
- Wellenbereiche
- Langwelle, Mittelwelle und Kurzwelle.
- Betriebsart / Volt
- Trockenbatterien / 6 & 67,5 Volt
- Lautsprecher
- Dynamischer (permanent) Ovallautsprecher
- Belastbarkeit / Leistung
- 0.2 W (Qualität unbekannt)
- Material
- Plastikgehäuse (nicht Bakelit), Thermoplast
Die GFGF Zeitschrift Funkgeschichte bringt interessante Artikel zu Radios, Funkwesen und Medien. Bei Radiomuseum.org finden Sie die vollständigen Hefte früherer Ausgaben als PDF zum Download.
- von Radiomuseum.org
- Modell: Transistor-Boy T - Grundig Radio-Vertrieb, RVF,
- Form
- Reisegerät > 20 cm (netzunabhängig betreibbar)
- Abmessungen (BHT)
- 260 x 190 x 90 mm / 10.2 x 7.5 x 3.5 inch
- Bemerkung
- Nettogewicht
- 3.2 kg / 7 lb 0.8 oz (7.048 lb)
- Originalpreis
- 187.00 DM
- Datenherkunft
- HdB d.Rdf-& Ferns-GrH 1956/57 / Radiokatalog Band 1, Ernst Erb
- Schaltungsnachweis
- Lange Schaltungen der Funkindustrie, Buch 4
- Literatur/Schema (1)
- -- Original-techn. papers.
- Weitere Modelle
-
Hier finden Sie 6251 Modelle, davon 5496 mit Bildern und 4255 mit Schaltbildern.
Alle gelisteten Radios usw. von Grundig (Radio-Vertrieb, RVF, Radiowerke); Fürth/Bayern