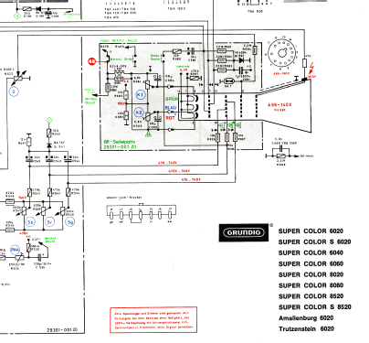
Trutzenstein 6020
Grundig (Radio-Vertrieb, RVF, Radiowerke); Fürth/Bayern
- Country
- Germany
- Manufacturer / Brand
- Grundig (Radio-Vertrieb, RVF, Radiowerke); Fürth/Bayern
- Year
- 1973/1974
- Category
- Television Receiver (TV) or Monitor
- Radiomuseum.org ID
- 128708
-
- alternative name: Grundig Portugal || Grundig USA / Lextronix
Click on the schematic thumbnail to request the schematic as a free document.
- Number of Tubes
- 2
- Number of Transistors
- 64
- Semiconductors
- Main principle
- Superheterodyne (common)
- Wave bands
- Wave Bands given in the notes.
- Details
- Remote Control (with wire or wireless)
- Power type and voltage
- Alternating Current supply (AC) / 220 Volt
- Loudspeaker
- Permanent Magnet Dynamic (PDyn) Loudspeaker (moving coil) - elliptical
- Material
- Wooden case
- from Radiomuseum.org
- Model: Trutzenstein 6020 - Grundig Radio-Vertrieb, RVF,
- Shape
- Console, Lowboy (legs < 50 %).
- Dimensions (WHD)
- 880 x 860 x 520 mm / 34.6 x 33.9 x 20.5 inch
- Notes
- 66 cm Farbfernseh - Standgerät (Schrank mit Türen), 19 ICs, 160 Dioden, 2 Thyristoren, Leuchtzifferröhre, 1 Hochsp.- Kaskade, VHF-UHF Tuner, Fernsteuerung Tele - Pilot 12, Kopfhöreranschluß.
- Net weight (2.2 lb = 1 kg)
- 68 kg / 149 lb 12.5 oz (149.78 lb)
- Mentioned in
- -- Original-techn. papers. (Weiler Angebot 1973/74)
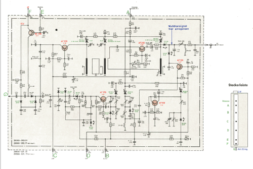
- Literature/Schematics (1)
- Grundig Farb-Fernseh-Service Mappe v.20.11.1973
- Author
- Model page created by Karlheinz Fischer. See "Data change" for further contributors.
- Other Models
-
Here you find 6251 models, 5496 with images and 4255 with schematics for wireless sets etc. In French: TSF for Télégraphie sans fil.
All listed radios etc. from Grundig (Radio-Vertrieb, RVF, Radiowerke); Fürth/Bayern