- Country
- Germany
- Manufacturer / Brand
- Grundig (Radio-Vertrieb, RVF, Radiowerke); Fürth/Bayern
- Year
- 1986 ?
- Category
- Broadcast Receiver - or past WW2 Tuner
- Radiomuseum.org ID
- 203754
-
- alternative name: Grundig Portugal || Grundig USA / Lextronix
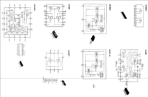
Click on the schematic thumbnail to request the schematic as a free document.
- Number of Transistors
- Semiconductors present.
- Semiconductors
- Main principle
- Superheterodyne (common)
- Wave bands
- Broadcast, Long Wave and FM or UHF.
- Details
- Other Combination - see Notes
- Power type and voltage
- Alternating Current supply (AC) / 220 Volt
- Loudspeaker
- - This model requires external speaker(s).
- Material
- Various materials
- from Radiomuseum.org
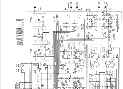
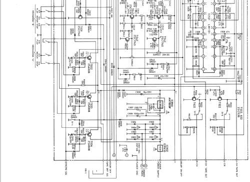
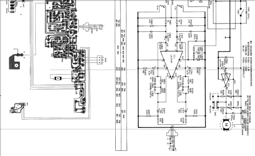
- Model: TSC400 - Grundig Radio-Vertrieb, RVF,
- Shape
- Book-shelf unit.
- Notes
- Grundig TSC400 mit Plattenspieler und Doppel Deck.
- Mentioned in
- Original Grundig Service Unterlagen
- Author
- Model page created by Josef Pilz. See "Data change" for further contributors.
- Other Models
-
Here you find 6251 models, 5496 with images and 4255 with schematics for wireless sets etc. In French: TSF for Télégraphie sans fil.
All listed radios etc. from Grundig (Radio-Vertrieb, RVF, Radiowerke); Fürth/Bayern