- Country
- Germany
- Manufacturer / Brand
- Grundig (Radio-Vertrieb, RVF, Radiowerke); Fürth/Bayern
- Year
- 1997 ?
- Category
- Television Receiver (TV) or Monitor
- Radiomuseum.org ID
- 250995
-
- alternative name: Grundig Portugal || Grundig USA / Lextronix
Click on the schematic thumbnail to request the schematic as a free document.
- Number of Transistors
- Semiconductors present.
- Semiconductors
- Main principle
- PLL, Phase-locked loop; ZF/IF 38900 kHz
- Wave bands
- VHF incl. FM and/or UHF (see notes for details)
- Details
- Remote Control (with wire or wireless)
- Power type and voltage
- Alternating Current supply (AC) / 230 Volt
- Loudspeaker
- Permanent Magnet Dynamic (PDyn) Loudspeaker (moving coil)
- Material
- Plastics (no bakelite or catalin)
- from Radiomuseum.org
- Model: TVR 5100 - Grundig Radio-Vertrieb, RVF,
- Shape
- Tablemodel, Tombstone = decorative upright, not cathedral but can have rounded edges.
- Notes
-
Farbfernseher mit integriertem VHS-Videorecorder.
51cm 90 Grad Bildröhre,
CCIR, B/G/H-PAL, NTSC-Wiedergabe,
69 Programmspeicher + 1 AV.
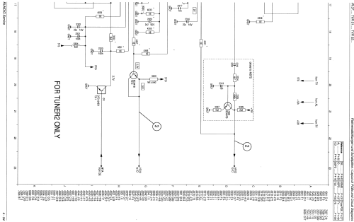
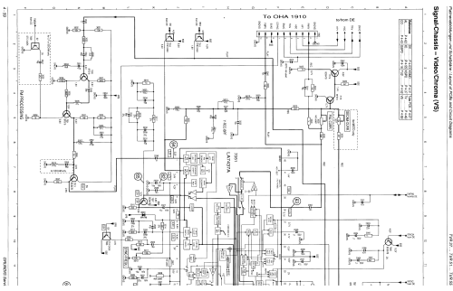
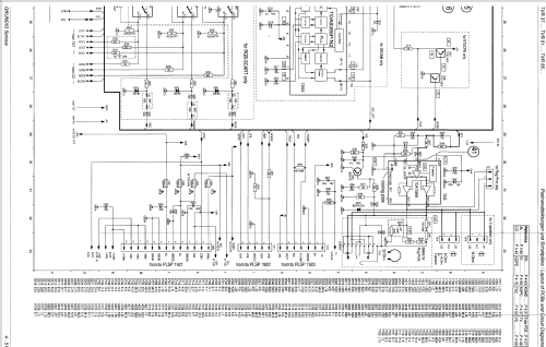
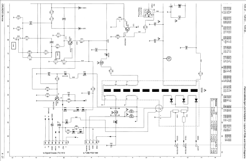
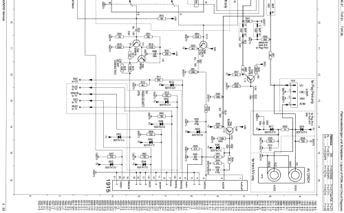
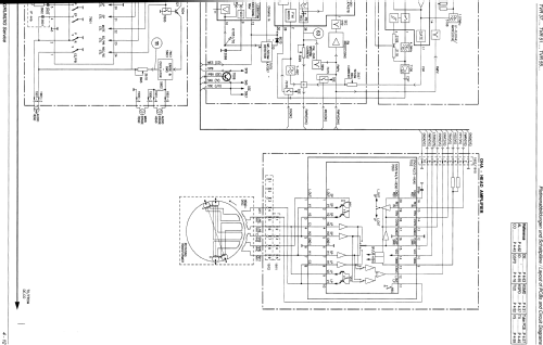
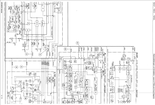
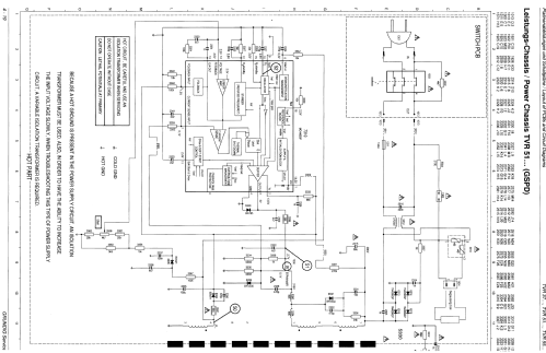
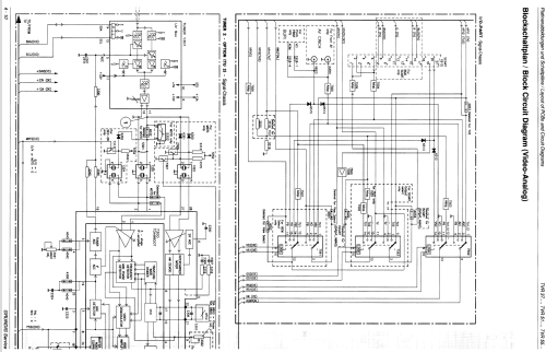
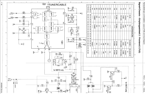
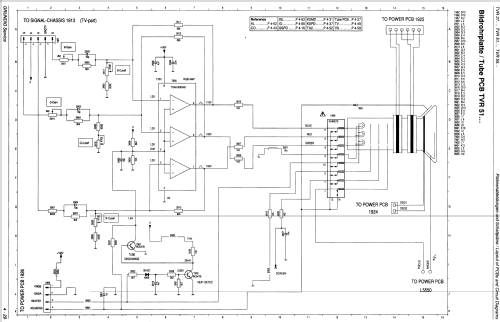
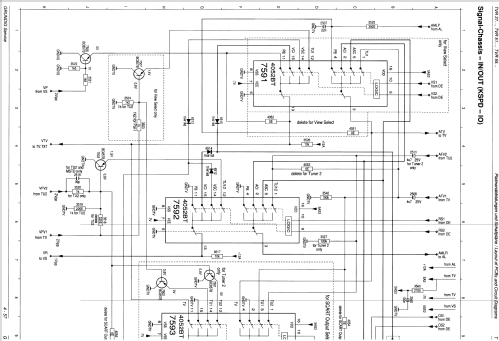
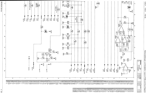
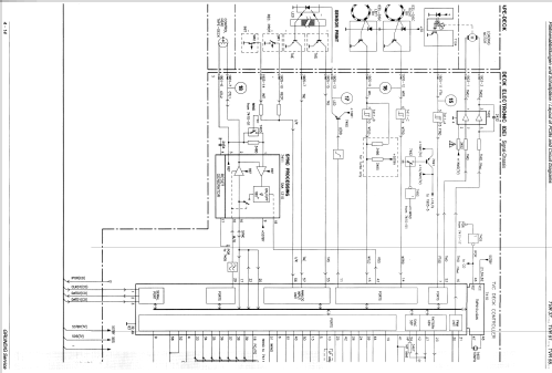
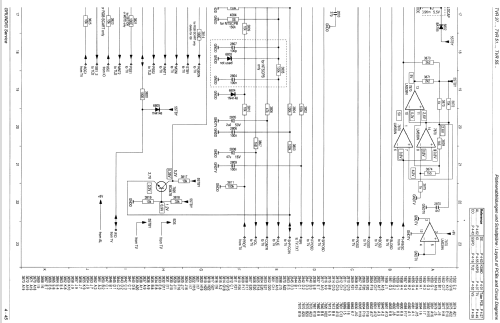
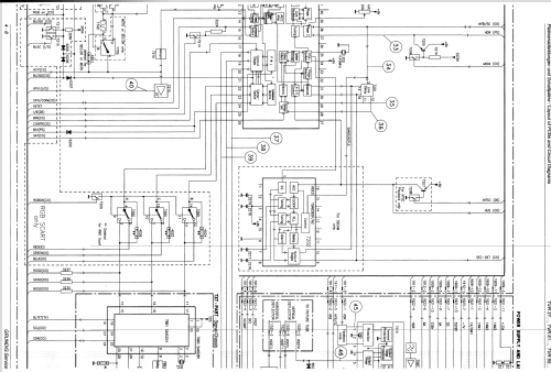
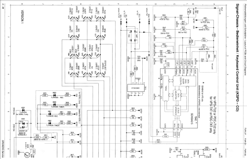
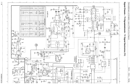
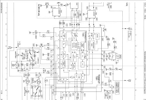
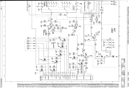
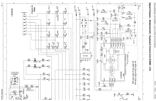
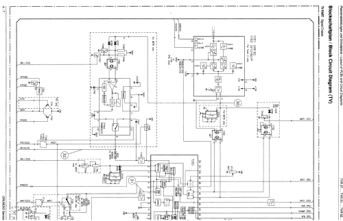
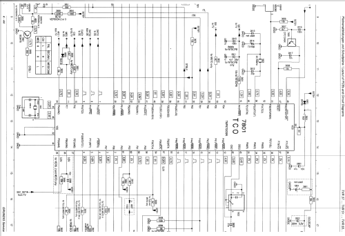
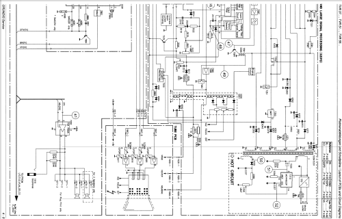
- Literature/Schematics (1)
- -- Original-techn. papers.
- Author
- Model page created by a member from D. See "Data change" for further contributors.
- Other Models
-
Here you find 6251 models, 5496 with images and 4255 with schematics for wireless sets etc. In French: TSF for Télégraphie sans fil.
All listed radios etc. from Grundig (Radio-Vertrieb, RVF, Radiowerke); Fürth/Bayern