Video Recorder Palermo SE 9100 SV
Grundig (Radio-Vertrieb, RVF, Radiowerke); Fürth/Bayern
- Hersteller / Marke
- Grundig (Radio-Vertrieb, RVF, Radiowerke); Fürth/Bayern
- Jahr
- 1999 ?
- Kategorie
- Ton-/Bildspeichergerät oder -Spieler
- Radiomuseum.org ID
- 237526
-
- anderer Name: Grundig Portugal || Grundig USA / Lextronix
Klicken Sie auf den Schaltplanausschnitt, um diesen kostenlos als Dokument anzufordern.
- Anzahl Transistoren
- Halbleiter vorhanden.
- Halbleiter
- Hauptprinzip
- Superhet allgemein
- Wellenbereiche
- VHF/UHF (siehe Bemerkungen)
- Spezialitäten
- Videobandgeräte; Fernbed/-steuerung (Radio etc.)
- Betriebsart / Volt
- Wechselstromspeisung / 230 Volt
- Lautsprecher
- - Für Kopfhörer oder NF-Verstärker
- Material
- Metallausführung
Die GFGF Zeitschrift Funkgeschichte bringt interessante Artikel zu Radios, Funkwesen und Medien. Bei Radiomuseum.org finden Sie die vollständigen Hefte früherer Ausgaben als PDF zum Download.
- von Radiomuseum.org
- Modell: Video Recorder Palermo SE 9100 SV - Grundig Radio-Vertrieb, RVF,
- Form
- Regalgerät wie HiFi-Komponente für Bücherwand.
- Bemerkung
-
Grundig Video Recorder Palermo SE 9100 SV., mit VPS, 6 Timer, Show View, 88 Programme, Euro AV Buchse.
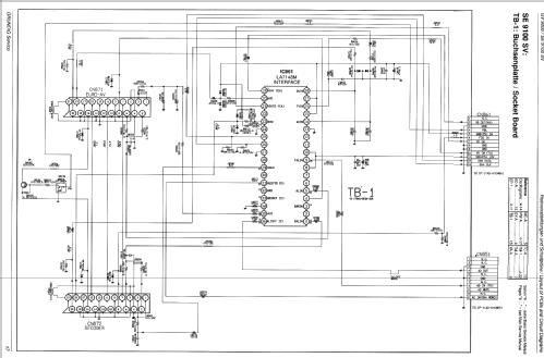
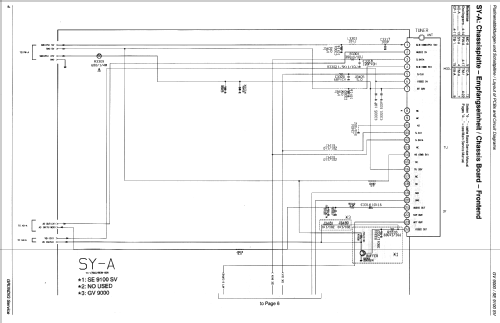
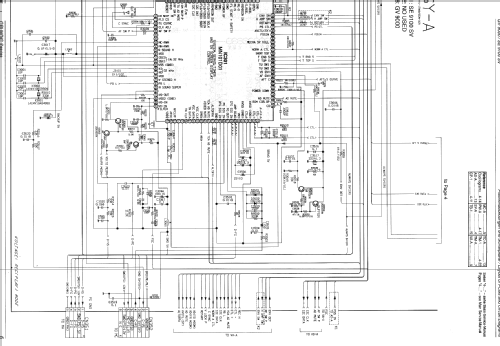
- Literatur/Schema (1)
- Grundig Service Unterlagen
- Autor
- Modellseite von Josef Pilz angelegt. Siehe bei "Änderungsvorschlag" für weitere Mitarbeit.
- Weitere Modelle
-
Hier finden Sie 6250 Modelle, davon 5496 mit Bildern und 4249 mit Schaltbildern.
Alle gelisteten Radios usw. von Grundig (Radio-Vertrieb, RVF, Radiowerke); Fürth/Bayern