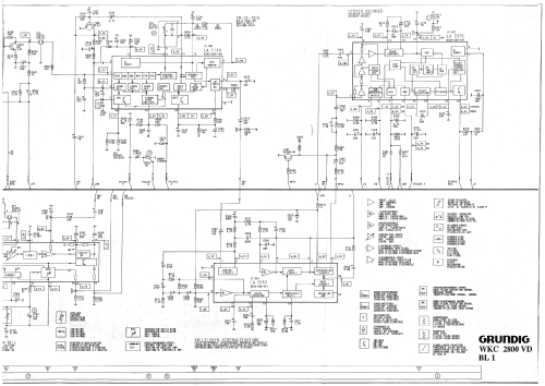
WKC 2800 VD 9.18115
Grundig (Radio-Vertrieb, RVF, Radiowerke); Fürth/Bayern
- Country
- Germany
- Manufacturer / Brand
- Grundig (Radio-Vertrieb, RVF, Radiowerke); Fürth/Bayern
- Year
- 1986
- Category
- Car Radio, perhaps also + sound player/recorder
- Radiomuseum.org ID
- 155293
-
- alternative name: Grundig Portugal || Grundig USA / Lextronix
Click on the schematic thumbnail to request the schematic as a free document.
- Number of Transistors
- 25
- Semiconductors
- Main principle
- Superheterodyne (common); ZF/IF 460/10700 kHz
- Wave bands
- Broadcast (BC) and FM or UHF.
- Details
- Cassette-Recorder or -Player
- Power type and voltage
- Storage Battery for all (e.g. for car radios and amateur radios) / 12 Volt
- Loudspeaker
- - This model requires external speaker(s).
- Power out
- 8 W (unknown quality)
- Material
- Metal case
- from Radiomuseum.org
- Model: WKC 2800 VD 9.18115 - Grundig Radio-Vertrieb, RVF,
- Shape
- Chassis only or for «building in»
- Dimensions (WHD)
- 180 x 50 x 170 mm / 7.1 x 2 x 6.7 inch
- Notes
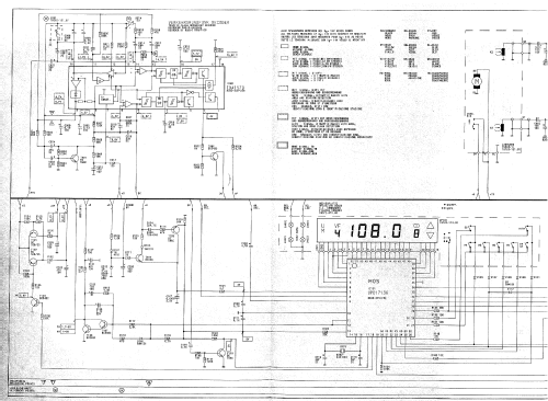
- Der Autoempfänger WKC 2800 VD enthält ein Kassettenlaufwerk und einen Verkehrsfunkdecoder. Die Ausgangsleistung beträgt 2 x 4 Watt, es können 2 oder 4 Lautsprecher angeschlossen werden. Das Gerät verfügt über eine LCD- Anzeige und über 4 Programmspeicherplätze. Der Suchlauf kann mit 2 Empfindlichkeiten durchgeführt werden.
- Net weight (2.2 lb = 1 kg)
- 1.2 kg / 2 lb 10.3 oz (2.643 lb)
- Author
- Model page created by a member from A. See "Data change" for further contributors.
- Other Models
-
Here you find 6250 models, 5496 with images and 4249 with schematics for wireless sets etc. In French: TSF for Télégraphie sans fil.
All listed radios etc. from Grundig (Radio-Vertrieb, RVF, Radiowerke); Fürth/Bayern
Collections
The model WKC 2800 VD is part of the collections of the following members.