T-67 19"
Guibernau, Salvador; Barcelona
- País
- España
- Fabricante / Marca
- Guibernau, Salvador; Barcelona
- Año
- 1964
- Categoría
- Televisión (TV) o monitor
- Radiomuseum.org ID
- 323146
Haga clic en la miniatura esquemática para solicitarlo como documento gratuito.
- Numero de valvulas
- 17
- Válvulas
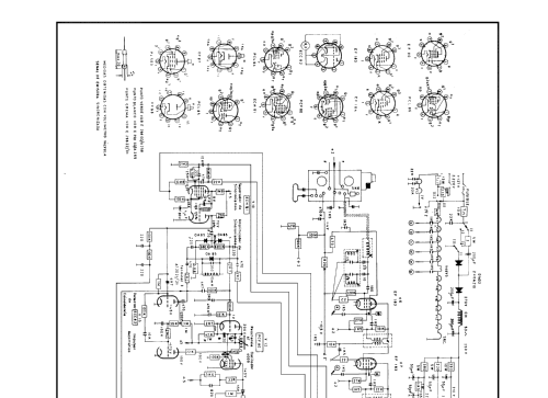
- unknown_Tube unknown_Tube EF183 EF183 EF184 PCL84 ECH81 PCF80 ECC82 PL500 PY88 DY87 PCL85 PCF80 EF80 PCL86 AW47-90
- Numero de transistores
- Principio principal
- Superheterodino con paso previo de RF
- Gama de ondas
- VHF/UHF (see notes for details)
- Tensión de funcionamiento
- Red: Corriente alterna (CA, Inglés = AC) / 125; 220 Volt
- Altavoz
- Altavoz elíptico de imán permanente.
- Material
- Madera
- de Radiomuseum.org
- Modelo: T-67 [19"] - Guibernau, Salvador; Barcelona
- Forma
- Sobremesa apaisado (tamaño grande).
- Ancho, altura, profundidad
- 600 x 190 x 450 mm / 23.6 x 7.5 x 17.7 inch
- Anotaciones
-
Radio Guibernau, Televisor modelo T-6 (19")
TV B/W 19" con selector rotativo de VHF
Altavoz elíptico 6" o 6x10" segun comanda
Toma de antena 200 Ohms
Preparado para adaptar sintonizador de UHF con dial lateral
- Mencionado en
- Catálogo Radio Guibernau 1964
- Documentación / Esquemas (1)
- -- Schematic
- Autor
- Modelo creado por Josh Toreno. Ver en "Modificar Ficha" los participantes posteriores.
- Otros modelos
-
Donde encontrará 19 modelos, 17 con imágenes y 4 con esquemas.
Ir al listado general de Guibernau, Salvador; Barcelona