- País
- Alemania
- Fabricante / Marca
- Hagenuk (N&K), Hanseatische App.bau-Ges., Neufeldt & Kuhnke, Nordmark
- Año
- 1948–1950
- Categoría
- Radio - o Sintonizador pasado WW2
- Radiomuseum.org ID
- 2315
Haga clic en la miniatura esquemática para solicitarlo como documento gratuito.
- Numero de valvulas
- 4
- Principio principal
- Superheterodino en general; ZF/IF 472 kHz
- Número de circuitos sintonía
- 6 Circuíto(s) AM
- Gama de ondas
- OM, OL y OC
- Tensión de funcionamiento
- Red: Corriente alterna (CA, Inglés = AC) / 120; 220 Volt
- Altavoz
- Altavoz dinámico (de imán permanente) / Ø 18 cm = 7.1 inch
- Material
- Madera
- de Radiomuseum.org
- Modelo: Wikinger GW - Hagenuk N&K, Hanseatische App.
- Ancho, altura, profundidad
- 420 x 360 x 220 mm / 16.5 x 14.2 x 8.7 inch
- Procedencia de los datos
- Das Rundfunk-Jahr 1948/49 / Radiokatalog Band 1, Ernst Erb
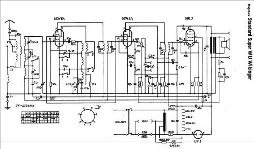
- Referencia esquema
- Hermann Rottmann und Fred P. Langheinrich hatten mir dieses Gerät erstmals bekannt gemacht. Sie verfügen jedoch nicht über Schaltungen darüber oder weitere Informationen, sondern haben mir bei der Recherche geholfen. Danke.
- Mencionado en
- Die Allgemeine Rundfunk-Technik (4907)
- Otros modelos
-
Donde encontrará 179 modelos, 144 con imágenes y 70 con esquemas.
Ir al listado general de Hagenuk (N&K), Hanseatische App.bau-Ges., Neufeldt & Kuhnke, Nordmark