- Pays
- Etats-Unis
- Fabricant / Marque
- Hallicrafters, The; Chicago, IL and Arlington/Grand Prairie, TX
- Année
- 1949 ?
- Catégorie
- Radio - ou tuner d'après la guerre 1939-45
- Radiomuseum.org ID
- 43832
Cliquez sur la vignette du schéma pour le demander en tant que document gratuit.
- No. de tubes
- 12
- Principe général
- Super hétérodyne (en général); FI/IF 455/10700 kHz
- Gammes d'ondes
- PO, OC et FM
- Tension / type courant
- Alimentation Courant Alternatif (CA) / 105-125 Volt
- Haut-parleur
- HP dynamique à aimant permanent + bobine mobile / Ø 12 inch = 30.5 cm
- Matière
- Boitier en bois
- De Radiomuseum.org
- Modèle: 410 - Hallicrafters, The; Chicago,
- Forme
- Console de forme générique
- Remarques
- Source extérieure
- Ernst Erb
- Source
- Radios by hallicrafters
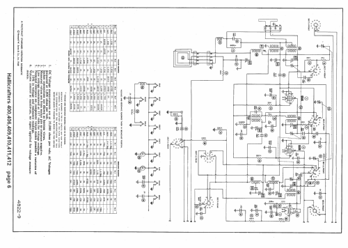
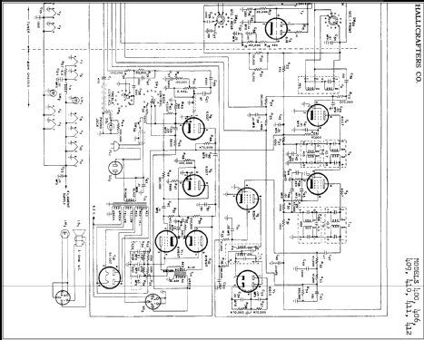
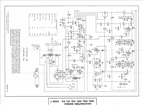
- Source du schéma
- Rider's Perpetual, Volume 19 = 1949 and before
- D'autres Modèles
-
Vous pourrez trouver sous ce lien 954 modèles d'appareils, 481 avec des images et 556 avec des schémas.
Tous les appareils de Hallicrafters, The; Chicago, IL and Arlington/Grand Prairie, TX