Sky Chief S-14 Late
Hallicrafters, The; Chicago, IL and Arlington/Grand Prairie, TX
- Pays
- Etats-Unis
- Fabricant / Marque
- Hallicrafters, The; Chicago, IL and Arlington/Grand Prairie, TX
- Année
- 1937
- Catégorie
- Récepteur commercial (peut inclure bandes amateurs)
- Radiomuseum.org ID
- 43881
Cliquez sur la vignette du schéma pour le demander en tant que document gratuit.
- No. de tubes
- 7
- Principe général
- Super hétérodyne (en général); FI/IF 465 kHz; 2 Etage(s) BF
- Circuits accordés
- 7 Circuits MA (AM)
- Gammes d'ondes
- GO, OC et Police (Maritime)
- Tension / type courant
- Alimentation Courant Alternatif (CA) / 110 Volt
- Haut-parleur
- HP dynamique à électro-aimant (électrodynamique)
- Matière
- Boitier métallique
- De Radiomuseum.org
- Modèle: Sky Chief S-14 [Late] - Hallicrafters, The; Chicago,
- Forme
- Modèle de table profil bas (grand modèle).
- Remarques
-
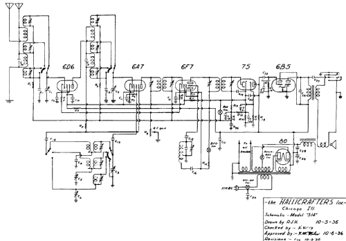
3 Bands: .540-1.700; 1.68-5.45; 5.3-18MC
There is a discrepancy between the circuit schematic and descriptions and drawings in the S-14 manual. The manual describes the existence of a 6G5 eye tube in various places, including chassis drawings. This tube however is not contained in the circuit schematic.
- Prix de mise sur le marché
- 45.00 $
- Source extérieure
- Ernst Erb
- Source du schéma
- Rider's Perpetual, Volume 8 = 1937 and before
- Littérature
- Communications Receivers (Hallicrafters Model S14 Sky Chief Manual)
- D'autres Modèles
-
Vous pourrez trouver sous ce lien 954 modèles d'appareils, 481 avec des images et 556 avec des schémas.
Tous les appareils de Hallicrafters, The; Chicago, IL and Arlington/Grand Prairie, TX