Tribun KW
HEA; Wien
- Country
- Austria
- Manufacturer / Brand
- HEA; Wien
- Year
- 1961
- Category
- Car Radio, perhaps also + sound player/recorder
- Radiomuseum.org ID
- 91256
Click on the schematic thumbnail to request the schematic as a free document.
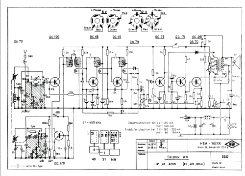
- Number of Transistors
- 7
- Main principle
- Superheterodyne (common); ZF/IF 455 kHz; 3 AF stage(s)
- Tuned circuits
- 6 AM circuit(s)
- Wave bands
- Broadcast plus more than 2 Short Wave bands.
- Power type and voltage
- Storage Battery for all (e.g. for car radios and amateur radios) / 6; 12 Volt
- Loudspeaker
- - This model requires external speaker(s).
- Power out
- 2.5 W (unknown quality)
- Material
- Metal case
- from Radiomuseum.org
- Model: Tribun KW - HEA; Wien
- Shape
- Chassis only or for «building in»
- Dimensions (WHD)
- 174 x 51 x 155 mm / 6.9 x 2 x 6.1 inch
- Notes
- KW-Bänder: 31/41/49 m oder 41/49/60 m. Plus/Minus Gehäuse umschaltbar.
- Literature/Schematics (1)
- -- Original-techn. papers.
- Author
- Model page created by Bernhard Sacherer. See "Data change" for further contributors.
- Other Models
-
Here you find 195 models, 138 with images and 157 with schematics for wireless sets etc. In French: TSF for Télégraphie sans fil.
All listed radios etc. from HEA; Wien