- Country
- Australia
- Manufacturer / Brand
- His Master's Voice (HMV, H.M.V.), EMI (Australia) Ltd.; Sydney, NSW
- Year
- 1949/1950
- Category
- Broadcast Receiver - or past WW2 Tuner
- Radiomuseum.org ID
- 140883
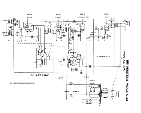
Click on the schematic thumbnail to request the schematic as a free document.
- Number of Tubes
- 5
- Main principle
- Superheterodyne (common); ZF/IF 457,5 kHz; 2 AF stage(s)
- Tuned circuits
- 6 AM circuit(s)
- Wave bands
- Broadcast and Short Wave (SW).
- Power type and voltage
- Alternating Current supply (AC) / 200-220; 221-240; 241-250 Volt
- Loudspeaker
- Permanent Magnet Dynamic (PDyn) Loudspeaker (moving coil)
- Material
- Bakelite case
- from Radiomuseum.org
- Model: C13B - His Master's Voice HMV, H.M.V.
- Shape
- Tablemodel without push buttons, Mantel/Midget/Compact up to 14
- Dimensions (WHD)
- 14 x 9.75 x 7 inch / 356 x 248 x 178 mm
- Net weight (2.2 lb = 1 kg)
- 14 lb 8 oz (14.5 lb) / 6.583 kg
- Price in first year of sale
- 27.30 AUS £
- Circuit diagram reference
- Australian Official Radio Service Manual Vol. VIII
- Literature/Schematics (1)
- - - Manufacturers Literature (HMV Service Manual.)
- Literature/Schematics (2)
- Australian Official Radio Service Manual AORSM (Volume 8, 1950, Page 200.)
- Author
- Model page created by Antonio Martins-Pais. See "Data change" for further contributors.
- Other Models
-
Here you find 589 models, 414 with images and 284 with schematics for wireless sets etc. In French: TSF for Télégraphie sans fil.
All listed radios etc. from His Master's Voice (HMV, H.M.V.), EMI (Australia) Ltd.; Sydney, NSW