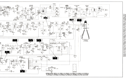
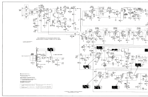
21B352SU Ch= 412-21
Hoffman Radio Corp.; Los Angeles, CA
- Land
- USA
- Hersteller / Marke
- Hoffman Radio Corp.; Los Angeles, CA
- Jahr
- 1956 ?
- Kategorie
- Fernseh-Empfänger/Monitor
- Radiomuseum.org ID
- 337039
Klicken Sie auf den Schaltplanausschnitt, um diesen kostenlos als Dokument anzufordern.
- Anzahl Röhren
- 24
- Röhren
- 6T4 or 6AF4 6BQ7A or 6BZ7 6U8 6CB6 6CB6 6CB6 6AS8 12BY7 6AN8 6AU6 6AL5 12AX7 6V6GT 6V6GT 6CS6 6SN7GTA 6S4 6AL5 6SN7GTA 6BQ6GT 6AX4GT 1B3GT 5U4GB 21AUP4A
- Hauptprinzip
- Super mit HF-Vorstufe
- Wellenbereiche
- Wellen in den Bemerkungen.
- Betriebsart / Volt
- Wechselstromspeisung / 60 Hz, 117V = 110 -120 Volt
- Lautsprecher
- 3 Lautsprecher
- Material
- Gerät mit Holzgehäuse
- von Radiomuseum.org
- Modell: 21B352SU Ch= 412-21 - Hoffman Radio Corp.; Los
- Form
- Standgerät auf niedrigen Beinen (Beine < 50 % der Gesamthöhe).
- Bemerkung
-
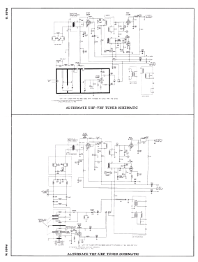
Hoffman model 21B352SU is a 21” b/w TV with US standard VHF tuner channels 2 thru
13, and 14 thru 83 UHF. Equipped with chassis 412-21, VHF- UHF tuner 9838 and picture tube 21AUP4A.
- Literatur/Schema (1)
- Photofact Folder, Howard W. SAMS (Set 308 Folder 5 dated 3-56)
- Autor
- Modellseite von Dirk Taekels angelegt. Siehe bei "Änderungsvorschlag" für weitere Mitarbeit.
- Weitere Modelle
-
Hier finden Sie 980 Modelle, davon 219 mit Bildern und 946 mit Schaltbildern.
Alle gelisteten Radios usw. von Hoffman Radio Corp.; Los Angeles, CA