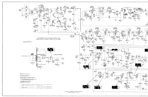
21M193 Ch= 411-21
Hoffman Radio Corp.; Los Angeles, CA
- País
- Estados Unidos
- Fabricante / Marca
- Hoffman Radio Corp.; Los Angeles, CA
- Año
- 1956 ?
- Categoría
- Televisión (TV) o monitor
- Radiomuseum.org ID
- 334359
Haga clic en la miniatura esquemática para solicitarlo como documento gratuito.
- Numero de valvulas
- 23
- Válvulas
- 6BQ7A 6J6 6CB6 6CB6 6CB6 6AS8 12BY7 6AN8 6AU6 6AL5 12AX7 6V6GT 6V6GT 6CS6 6SN7GTA 6S4 6AL5 6SN7GTA 6BQ6GT 6AX4GT 1B3GT 5U4GB 21AUP4A
- Principio principal
- Superheterodino con paso previo de RF
- Tensión de funcionamiento
- Red: Corriente alterna (CA, Inglés = AC) / 60 Hz, 117V = 110 -120 Volt
- Altavoz
- 3 Altavoces
- Material
- Madera
- de Radiomuseum.org
- Modelo: 21M193 Ch= 411-21 - Hoffman Radio Corp.; Los
- Forma
- Consola baja, patas más cortas del 50%.
- Anotaciones
-
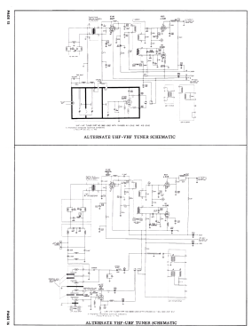
Hoffman model 21M193 is a 21” b/w TV with US standard VHF tuner channels 2 thru 13.
Equipped with chassis 411-21, VHF tuner 9839 and picture tube 21AUP4A.
- Documentación / Esquemas (1)
- Photofact Folder, Howard W. SAMS (Set 304 Folder 15-S dated 1956)
- Documentación / Esquemas (2)
- Photofact Folder, Howard W. SAMS (Set 308 Folder 5 dated 3-56)
- Autor
- Modelo creado por Dirk Taekels. Ver en "Modificar Ficha" los participantes posteriores.
- Otros modelos
-
Donde encontrará 980 modelos, 219 con imágenes y 946 con esquemas.
Ir al listado general de Hoffman Radio Corp.; Los Angeles, CA