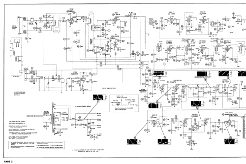
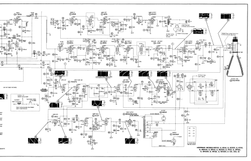
B3201U Ch= 323U
Hoffman Radio Corp.; Los Angeles, CA
- Produttore / Marca
- Hoffman Radio Corp.; Los Angeles, CA
- Anno
- 1957 ?
- Categoria
- Televisore (TV) / Monitor
- Radiomuseum.org ID
- 313842
Clicca sulla miniatura dello schema per richiederlo come documento gratuito.
- Numero di tubi
- 20
- Valvole
- 6AF4A 6BQ7A 6AT8 6BZ6 6BZ6 6U8 12BY7 6AU6 6DT6 6V6GT 12AU7 6CG7 6W6GT 6AL5 6CG7 6BQ6GTB or 6CU6 6AX4GT 1B3GT 5U4GB 21ALP4A
- Principio generale
- Supereterodina con stadio RF
- Gamme d'onda
- Gamme d'onda nelle note.
- Tensioni di funzionamento
- Alimentazione a corrente alternata (CA) / 60 Hz, 117V = 110 -120 Volt
- Altoparlante
- AP magnetodinamico (magnete permanente e bobina mobile)
- Materiali
- Mobile in legno
- Radiomuseum.org
- Modello: B3201U Ch= 323U - Hoffman Radio Corp.; Los
- Forma
- Soprammobile con qualsiasi forma (non saputo).
- Annotazioni
-
Hoffman model B3201U is a 21" b/w TV with US standard VHF tuner channels 2 thru 13, and 14 thru 83 UHF. Equipped with chassis 323U, VHF-UHF tuner 9931 and picture tube 21ALP4A.
- Letteratura / Schemi (1)
- Photofact Folder, Howard W. SAMS (Set 370 Folder 6 dated 9-57)
- Autore
- Modello inviato da Dirk Taekels. Utilizzare "Proponi modifica" per inviare ulteriori dati.
- Altri modelli
-
In questo link sono elencati 980 modelli, di cui 219 con immagini e 946 con schemi.
Elenco delle radio e altri apparecchi della Hoffman Radio Corp.; Los Angeles, CA