W1161 Ch= 323
Hoffman Radio Corp.; Los Angeles, CA
- Pays
- Etats-Unis
- Fabricant / Marque
- Hoffman Radio Corp.; Los Angeles, CA
- Année
- 1957 ?
- Catégorie
- Récepteur de télévision ou moniteur
- Radiomuseum.org ID
- 313826
Cliquez sur la vignette du schéma pour le demander en tant que document gratuit.
- No. de tubes
- 20
- Lampes / Tubes
- 6BN4 6CG8 6AT8 6BZ6 6BZ6 6U8 12BY7 6AU6 6DT6 6V6GT 12AU7 6CG7 6W6GT 6AL5 6CG7 6BQ6GTB or 6CU6 6AX4GT 1B3GT 5U4GB 21ALP4A
- Principe général
- Super hétérodyne avec étage HF
- Gammes d'ondes
- Bandes en notes
- Tension / type courant
- Alimentation Courant Alternatif (CA) / 60 Hz, 117V = 110 -120 Volt
- Haut-parleur
- HP dynamique à aimant permanent + bobine mobile
- Matière
- Boitier en bois
- De Radiomuseum.org
- Modèle: W1161 Ch= 323 - Hoffman Radio Corp.; Los
- Forme
- Modèle de table générique
- Remarques
-
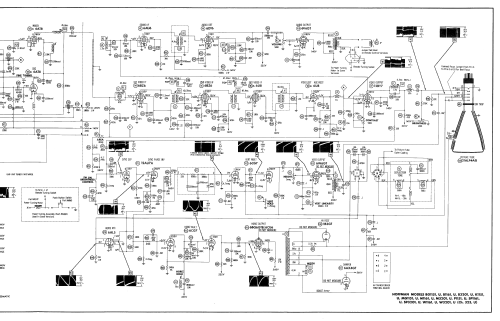
Hoffman model W1161 is a 21" b/w TV with US standard VHF tuner channels 2 thru 13. Equipped with chassis 323, VHF tuner 9930 and picture tube 21ALP4A.
- Schémathèque (1)
- Photofact Folder, Howard W. SAMS (Set 370 Folder 6 dated 9-57)
- Auteur
- Modèle crée par Dirk Taekels. Voir les propositions de modification pour les contributeurs supplémentaires.
- D'autres Modèles
-
Vous pourrez trouver sous ce lien 980 modèles d'appareils, 219 avec des images et 946 avec des schémas.
Tous les appareils de Hoffman Radio Corp.; Los Angeles, CA