- Hersteller / Marke
- Hofrela, Hochfrequenzlaboratorium; Zürich, ab 1938 Grenchen
- Jahr
- 1940/1941
- Kategorie
- Rundfunkempfänger (Radio - oder Tuner nach WW2)
- Radiomuseum.org ID
- 12075
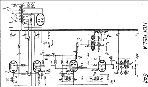
Klicken Sie auf den Schaltplanausschnitt, um diesen kostenlos als Dokument anzufordern.
- Anzahl Röhren
- 5
- Hauptprinzip
- Superhet allgemein; ZF/IF 468 kHz
- Anzahl Kreise
- 6 Kreis(e) AM
- Wellenbereiche
- Langwelle, Mittelwelle und Kurzwelle.
- Betriebsart / Volt
- Wechselstromspeisung / 110-250 Volt
- Lautsprecher
- Dynamischer LS, keine Erregerspule (permanentdynamisch) / Ø 19 cm = 7.5 inch
- Material
- Gerät mit Holzgehäuse
- von Radiomuseum.org
- Modell: 541 - Hofrela,
- Form
- Tischgerät-gross, - Querformat (breiter als hoch oder quadratisch).
- Originalpreis
- 345.00 SFr
- Datenherkunft extern
- E. Erb 3-907007-36-0
- Datenherkunft
- Radiokatalog Band 2, Ernst Erb
- Schaltungsnachweis
- Thali-Schemasammlung und Tungsram-Röhrenbestückung.
- Bildnachweis
- Das Modell ist im «Radiokatalog» (Erb) abgebildet.
- Weitere Modelle
-
Hier finden Sie 5 Modelle, davon 5 mit Bildern und 5 mit Schaltbildern.
Alle gelisteten Radios usw. von Hofrela, Hochfrequenzlaboratorium; Zürich, ab 1938 Grenchen