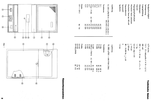
Diola-Cassetten-Recorder WM9104T/00 10 Transistoren
Horny (Hornyphon); Wien
- Land
- Österreich / Austria
- Hersteller / Marke
- Horny (Hornyphon); Wien
- Jahr
- 1968/1969
- Kategorie
- Ton-/Bildspeichergerät oder -Spieler
- Radiomuseum.org ID
- 80055
-
- Marke: Hornyphon
Klicken Sie auf den Schaltplanausschnitt, um diesen kostenlos als Dokument anzufordern.
- Anzahl Transistoren
- 10
- Hauptprinzip
- NF-Verstärkung
- Spezialitäten
- Kassetten-Recorder oder -Spieler
- Betriebsart / Volt
- Trockenbatterien / 5 x 1,5 Volt
- Lautsprecher
- Dynamischer LS, keine Erregerspule (permanentdynamisch)
- Belastbarkeit / Leistung
- 0.4 W (Qualität unbekannt)
- Material
- Plastikgehäuse (nicht Bakelit), Thermoplast
- von Radiomuseum.org
- Modell: Diola-Cassetten-Recorder WM9104T/00 [10 Transistoren] - Horny Hornyphon; Wien
- Form
- Reisegerät > 20 cm (netzunabhängig betreibbar)
- Abmessungen (BHT)
- 115 x 55 x 200 mm / 4.5 x 2.2 x 7.9 inch
- Bemerkung
-
Parallelgerät zum Philips EL3302A/00.
Pluspol an Masse.
- Nettogewicht
- 1.1 kg / 2 lb 6.8 oz (2.423 lb)
- Datenherkunft
- Radiokatalog Band 2, Ernst Erb
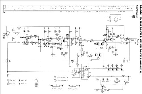
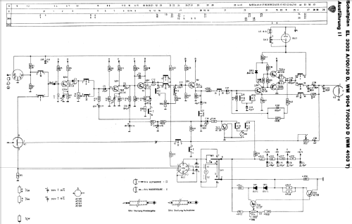
- Literatur/Schema (1)
- -- Original-techn. papers.
- Autor
- Modellseite von Wolfgang Bauer angelegt. Siehe bei "Änderungsvorschlag" für weitere Mitarbeit.
- Weitere Modelle
-
Hier finden Sie 879 Modelle, davon 788 mit Bildern und 586 mit Schaltbildern.
Alle gelisteten Radios usw. von Horny (Hornyphon); Wien