Selecta 51T630
Horny (Hornyphon); Wien
- Country
- Austria
- Manufacturer / Brand
- Horny (Hornyphon); Wien
- Year
- 1976
- Category
- Television Receiver (TV) or Monitor
- Radiomuseum.org ID
- 113119
-
- Brand: Hornyphon
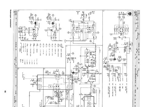
Click on the schematic thumbnail to request the schematic as a free document.
- Number of Tubes
- 1
- Valves / Tubes
- A50-520W
- Number of Transistors
- Semiconductors present.
- Semiconductors
- Main principle
- Superheterodyne (common)
- Wave bands
- Wave Bands given in the notes.
- Power type and voltage
- Alternating Current supply (AC) / 220 Volt
- Loudspeaker
- Permanent Magnet Dynamic (PDyn) Loudspeaker (moving coil) - elliptical
- Power out
- 2 W (unknown quality)
- Material
- Plastics (no bakelite or catalin)
- from Radiomuseum.org
- Model: Selecta 51T630 - Horny Hornyphon; Wien
- Shape
- Tablemodel with Push Buttons.
- Dimensions (WHD)
- 565 x 415 x 335 mm / 22.2 x 16.3 x 13.2 inch
- Notes
- Empfangsbereiche VHF und UHF.
Zwei verschiedene Chassis, abhängig in welchem der 3 Philips Werke das Gerät gefertigt wurde (Krefeld, Wien oder PYE).
- Net weight (2.2 lb = 1 kg)
- 12 kg / 26 lb 6.9 oz (26.432 lb)
- Literature/Schematics (1)
- -- Original-techn. papers.
- Author
- Model page created by Wolfgang Bauer. See "Data change" for further contributors.
- Other Models
-
Here you find 879 models, 788 with images and 586 with schematics for wireless sets etc. In French: TSF for Télégraphie sans fil.
All listed radios etc. from Horny (Hornyphon); Wien
Collections
The model Selecta is part of the collections of the following members.