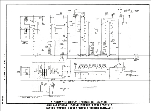
21S551 CH= U line
Hotpoint Inc.; Chicago (IL)
- Produttore / Marca
- Hotpoint Inc.; Chicago (IL)
- Anno
- 1956 ?
- Categoria
- Televisore (TV) / Monitor
- Radiomuseum.org ID
- 261565
Clicca sulla miniatura dello schema per richiederlo come documento gratuito.
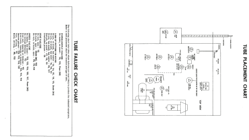
- Numero di tubi
- 17
- Valvole
- 6BQ7 or 6BS8 6U8 6CF6 6CF6 6CB6 6AU8 6AU6 6T8 6AS5 6BY6 6BL7GT 6CG7 6BQ6GA 6AX4GT 1B3GT 5U4GA or 5U4GB 21ATP4A or 24YP4
- Principio generale
- Supereterodina con stadio RF
- Gamme d'onda
- VHF/UHF (ved. i dettagli nelle note)
- Tensioni di funzionamento
- Alimentazione a corrente alternata (CA) / 60 cycles, 110-120 Volt
- Altoparlante
- AP magnetodinamico (magnete permanente e bobina mobile) / Ø 8 inch = 20.3 cm
- Materiali
- Mobile in legno
- Radiomuseum.org
- Modello: 21S551 CH= U line - Hotpoint Inc.; Chicago IL
- Forma
- Soprammobile con qualsiasi forma (non saputo).
- Annotazioni
-
The Hotpoint model 21S551 is a 21" b/w TV with US standard VHF Tuner channels 2 thru 13, 14 thru 83 UHF. Equipped with chassis U line and picture tube 21ATP4A.
- Letteratura / Schemi (1)
- Photofact Folder, Howard W. SAMS (Set 348 Folder 3 date 2 - 57)
- Autore
- Modello inviato da Dirk Taekels. Utilizzare "Proponi modifica" per inviare ulteriori dati.
- Altri modelli
-
In questo link sono elencati 57 modelli, di cui 25 con immagini e 53 con schemi.
Elenco delle radio e altri apparecchi della Hotpoint Inc.; Chicago (IL)