- Pays
- Allemagne
- Fabricant / Marque
- Imperial Rundfunk und Fernseh (Kuba-Imperial, auch General Electric); Osterode/Harz, Hemmingen
- Année
- 1972/1973
- Catégorie
- Radio - ou tuner d'après la guerre 1939-45
- Radiomuseum.org ID
- 28838
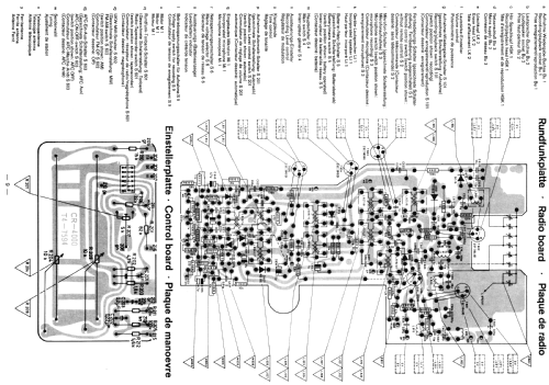
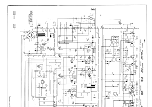
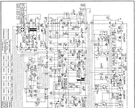
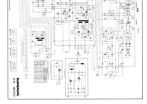
Cliquez sur la vignette du schéma pour le demander en tant que document gratuit.
- No. de transistors
- 20
- Semi-conducteurs
- Principe général
- Super hétérodyne (en général)
- Gammes d'ondes
- PO, OC et FM
- Particularités
- Magnétophone à cassettes
- Tension / type courant
- Secteur et Piles (tous types). / 110-117; 220-240 / 6 × 1,5 Volt
- Haut-parleur
- HP dynamique oval à aimant permanent
- Puissance de sortie
- 2 W (qualité inconnue)
- Matière
- Plastique moderne (pas de bakélite, ni de catalin)
- De Radiomuseum.org
- Modèle: CR4000 - Imperial Rundfunk und Fernseh
- Forme
- Portative > 20 cm (sans nécessité secteur)
- Dimensions (LHP)
- 315 x 65 x 220 mm / 12.4 x 2.6 x 8.7 inch
- Remarques
- Abschaltbare Aussteuerungsautomatik, eingebautes Kondensatormikrofon.
- Poids net
- 3.2 kg / 7 lb 0.8 oz (7.048 lb)
- Prix de mise sur le marché
- 408.00 DM
- Source extérieure
- Erb
- Source
- Handbuch VDRG 1972/1973 / Radiokatalog Band 2, Ernst Erb
- D'autres Modèles
-
Vous pourrez trouver sous ce lien 450 modèles d'appareils, 420 avec des images et 215 avec des schémas.
Tous les appareils de Imperial Rundfunk und Fernseh (Kuba-Imperial, auch General Electric); Osterode/Harz, Hemmingen