S/W Fernsehempfänger Chassis Ch= 1923
Imperial Rundfunk und Fernseh (Kuba-Imperial, auch General Electric); Osterode/Harz, Hemmingen
- Pays
- Allemagne
- Fabricant / Marque
- Imperial Rundfunk und Fernseh (Kuba-Imperial, auch General Electric); Osterode/Harz, Hemmingen
- Année
- 1966
- Catégorie
- Récepteur de télévision ou moniteur
- Radiomuseum.org ID
- 277585
Cliquez sur la vignette du schéma pour le demander en tant que document gratuit.
- No. de tubes
- 8
- No. de transistors
- 10
- Semi-conducteurs
- AF239 AF139 AF106 AF200 AF201 AF202 OC304 BFY39 AF126 AF201 AA113 BY104 E30C120 OA90 OA150 OA174 TV18 V40C2
- Principe général
- Super hétérodyne (en général); FI/IF 38900 kHz
- Gammes d'ondes
- VHF/UHF (voir details en note)
- Tension / type courant
- Alimentation Courant Alternatif (CA) / 220 Volt
- Haut-parleur
- - Ce modèle nécessite des HP externes
- Matière
- Circuits imprimés
- De Radiomuseum.org
- Modèle: S/W Fernsehempfänger Chassis Ch= 1923 - Imperial Rundfunk und Fernseh
- Forme
- Chassis (pour intégration dans meuble)
- Remarques
-
VHF/UHF Imperial Allbereich Kanalwähler T 24 S mit Tastenmechanik TE 30 S
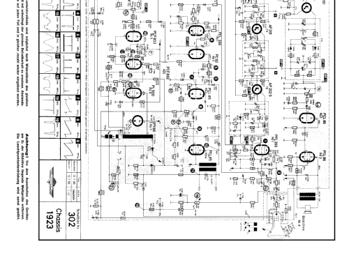
- Schémathèque (1)
- -- Original-techn. papers.
- Auteur
- Modèle crée par Miguel Bravo-Cos. Voir les propositions de modification pour les contributeurs supplémentaires.
- D'autres Modèles
-
Vous pourrez trouver sous ce lien 450 modèles d'appareils, 420 avec des images et 215 avec des schémas.
Tous les appareils de Imperial Rundfunk und Fernseh (Kuba-Imperial, auch General Electric); Osterode/Harz, Hemmingen