- Pays
- Autriche
- Fabricant / Marque
- Ingelen, Elektrotechnische Fabrik Ing. Ludwig Neumann GmbH; Wien
- Année
- 1947/1948
- Catégorie
- Radio - ou tuner d'après la guerre 1939-45
- Radiomuseum.org ID
- 9096
-
- Brand: Elektrot.Fabrik Ludwig Neumann
Cliquez sur la vignette du schéma pour le demander en tant que document gratuit.
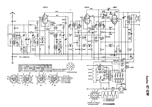
- No. de tubes
- 4
- Principe général
- Super hétérodyne (en général); FI/IF 128 kHz
- Circuits accordés
- 7 Circuits MA (AM)
- Gammes d'ondes
- PO, GO et OC
- Tension / type courant
- Appareil tous courants (CA / CC) / 110; 130; 150; 220 ~ und 150; 220 = Volt
- Haut-parleur
- HP dynamique à aimant permanent + bobine mobile
- Matière
- Boitier en bois
- De Radiomuseum.org
- Modèle: 47GW - Ingelen, Elektrotechnische
- Forme
- Modèle de table profil bas (grand modèle).
- Dimensions (LHP)
- 535 x 355 x 265 mm / 21.1 x 14 x 10.4 inch
- Remarques
-
Autotrafo
Gerät für magisches Auge vorgesehen (Rückwand vermerkt und Ausnehmung im Gerät vorhanden), aber nicht ausgeführt. Nachfolgegerät Ingelen 49-5 GW mit magischem Auge.
- Source extérieure
- E. Erb 3-907007-36-0
- Source
- Radiokatalog Band 2, Ernst Erb
- Source du schéma
- Lange-Nowisch
- D'autres Modèles
-
Vous pourrez trouver sous ce lien 448 modèles d'appareils, 398 avec des images et 322 avec des schémas.
Tous les appareils de Ingelen, Elektrotechnische Fabrik Ing. Ludwig Neumann GmbH; Wien
Collections
Le modèle fait partie des collections des membres suivants.