- Country
- Austria
- Manufacturer / Brand
- Ingelen, Elektrotechnische Fabrik Ing. Ludwig Neumann GmbH; Wien
- Year
- 1939/1940
- Category
- Broadcast Receiver - or past WW2 Tuner
- Radiomuseum.org ID
- 9073
-
- Brand: Elektrot.Fabrik Ludwig Neumann
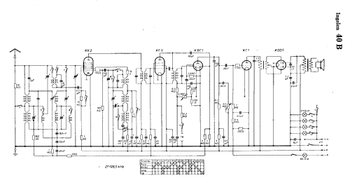
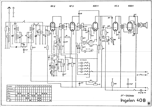
Click on the schematic thumbnail to request the schematic as a free document.
- Number of Tubes
- 5
- Main principle
- Superheterodyne (common); ZF/IF 128,5 kHz
- Tuned circuits
- 7 AM circuit(s)
- Wave bands
- Broadcast, Long Wave and Short Wave.
- Power type and voltage
- Storage and/or dry batteries / 130+2 Volt
- Loudspeaker
- Permanent Magnet Dynamic (PDyn) Loudspeaker (moving coil)
- Material
- Wooden case
- from Radiomuseum.org
- Model: Batterie 40B - Ingelen, Elektrotechnische
- Shape
- Tablemodel, low profile (big size).
- Dimensions (WHD)
- 534 x 355 x 255 mm / 21 x 14 x 10 inch
- Notes
- Variable Bandbreite.
- Net weight (2.2 lb = 1 kg)
- 11.9 kg / 26 lb 3.4 oz (26.211 lb)
- Price in first year of sale
- 233.00 RM
- External source of data
- E. Erb 3-907007-36-0
- Source of data
- Handbuch WDRG 1939 / Radiokatalog Band 2, Ernst Erb
- Circuit diagram reference
- Lange+Schenk+FS-Röhrenbestückung
- Other Models
-
Here you find 448 models, 398 with images and 322 with schematics for wireless sets etc. In French: TSF for Télégraphie sans fil.
All listed radios etc. from Ingelen, Elektrotechnische Fabrik Ing. Ludwig Neumann GmbH; Wien